Advanced Energy / Ultravolt C Series High-Voltage DC-DC Power Supplies

Advanced Energy/Ultravolt C Series High-Voltage DC-DC Power Supplies are designed for capacitive charging, which requires fast charging with limited voltage overshoot. These power supplies feature indefinite output short circuit protection, fixed frequency, and <80mA peak-to-peak AC ripple current (nominal input and full load). The C series DC-DC power supplies achieve higher system throughput with quick capacitor charging. These power supplies use surface-mount technology and encapsulation techniques to improve system reliability. The C series DC-DC power supplies are used in applications such as pulsed power, test equipment, mass spectrometry, Automated Test Equipment (ATE), and HV amplifier bias.

Features

  • Fast-rise charging power delivered from an optimized design
  • Limited overshoot, typically less than 1% of high voltage setpoint
  • Achieve higher system throughput with quick capacitor charging
  • Minimize stress on storage capacitors and improve system reliability
  • Responsive and adaptable control of high-voltage capacitor charging processes
  • Expand mechanical integration, external RF protection, and interconnection possibilities
  • Indefinite output short circuit protection
  • Output voltage and current monitors
  • UL/cUL recognized component

Applications

  • Cap-charging
  • Pulse power
  • Automated Test Equipment (ATE)
  • Lasers and electro-optics
  • HV pulse generator bias
  • HV amplifier bias
  • Mass spectrometry
  • Test equipment

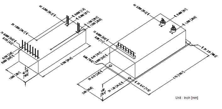
Mechanical Diagram

Mechanical Drawing - Advanced Energy / Ultravolt C Series High-Voltage DC-DC Power Supplies

Videos

Published: 2025-02-09 | Updated: 2025-02-17