Amphenol All Sensors BFTM Series Pressure Sensors

Amphenol All Sensors BFTM Series Pressure Sensors are compact in design and significantly enhance output offset errors caused by position sensitivity, packaging stress, and long-term drift. These board-mount sensors provide a highly linear output to measure pressure while featuring a silicon, micromachined, stress-concentration-enhanced structure. The BFTM sensors are designed for use with non-corrosive, non-ionic working fluids such as air and dry gases. These basic pressure sensors are ideal for industries requiring reliable pressure measurement, industrial, and environmental monitoring applications.

Features

  • Ultrastable and compact design
  • Enhanced accuracy
  • Optimized packaging for high common-mode and low differential pressure monitoring
  • Combined absolute and differential pressure in a single package
  • RoHS compliant

Applications

  • HVAC
  • Industrial controls
  • Environmental controls
  • Mass flow controllers
  • Gas mixers

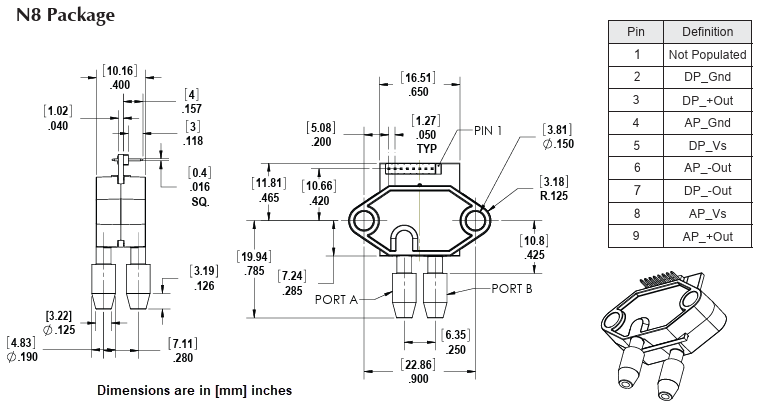
Package Drawing

Mechanical Drawing - Amphenol All Sensors BFTM Series Pressure Sensors
Published: 2025-07-31 | Updated: 2025-12-30