Analog Devices Inc. ADRF5545A-EVALZ Evaluation Board
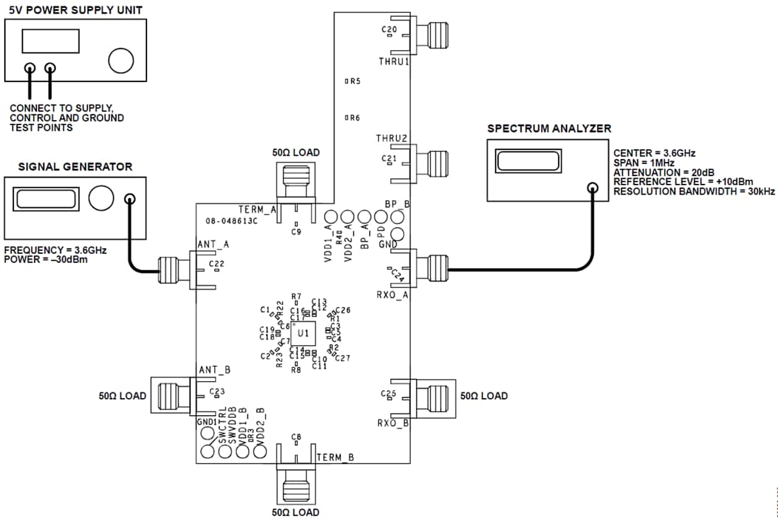
Analog Devices Inc. ADRF5545A-EVALZ Evaluation Board is designed to evaluate the features and performance of the ADRF5545A dual-channel integrated radio frequency (RF) front-end. The ADRF5545A front-end is a multichip device that consists of a high-power switch and a dual-stage low-noise amplifier on each channel. The ADRF5545A is ideally suited for time-division duplexing (TDD) wireless infrastructure applications. Analog Devices Inc. ADRF5545A-EVALZ Evaluation Board provides an easy way to test equipment.Features
- Full-featured evaluation board for ADRF5545A dual-channel integrated RF front-end
- Easy connection to test equipment
- Matching network for 2.6GHz and 3.6GHz
- Through line for calibration
- Ideal for TDD wireless infrastructure applications
Required Equipment
- DC power supply
- Signal generator
- Spectrum analyzer
- Network analyzer
Test Setup
Published: 2019-10-02
| Updated: 2024-03-04
