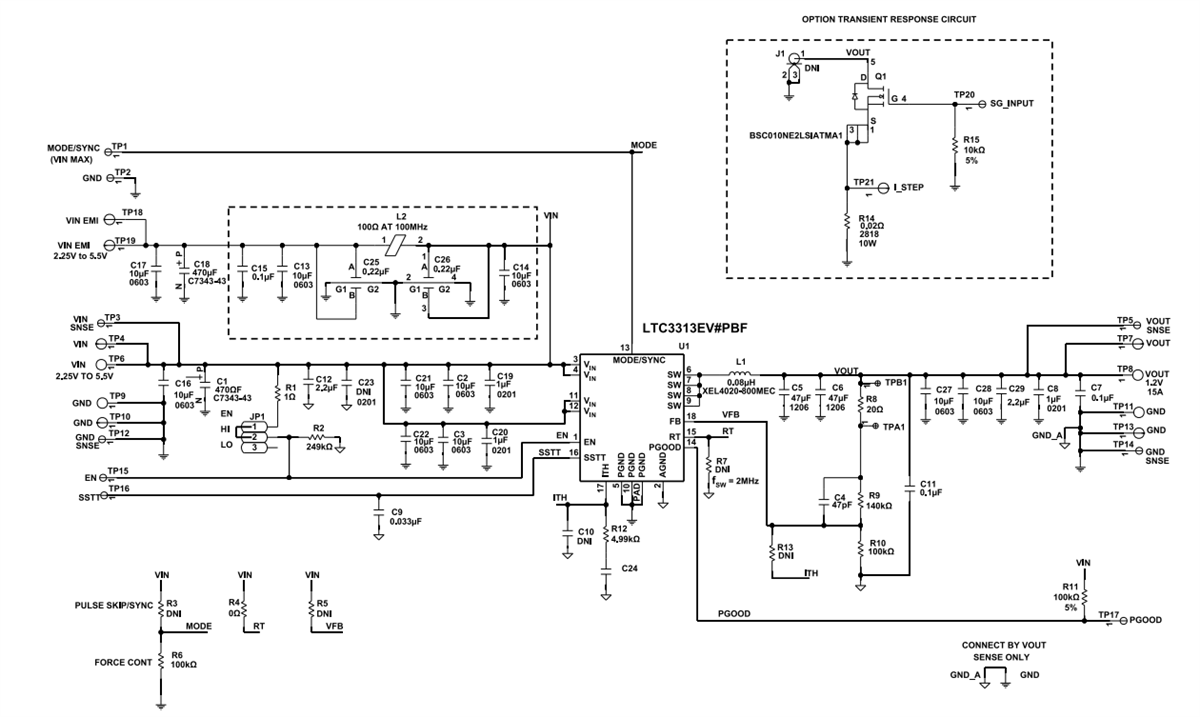
Analog Devices Inc. EVAL-LTC3313EV-A-Z Evaluation Board

Analog Devices Inc. EVAL-LTC3313EV-A-Z Evaluation Board is designed to operate in forced continuous mode with a switching frequency of 2MHz. This eval board features the LTC3313 synchronous step-down Silent Switcher® that functions as a 1.2V, 15A output buck regulator. The EVAL-LTC3313EV-A-Z board can also run at different switching frequencies or pulse-skipping mode. The LTC3313 oscillator can also synchronize to an external clock using a MODE/SYNC turret with the EVAL-LTC3313EV-A-Z default setup. This eval board reduces the conducted EMI via the EMI filter that can be included by applying the input voltage at the VIN EMI terminal.

The LTC3313 is a monolithic, constant frequency, current mode step-down DC-DC converter. This DC-DC converter supports an output voltage (VOUT) from 0.5V to the input voltage (VIN) with operating frequencies from 500kHz up to 5MHz. The Silent Switcher technology on the DC-DC converter optimizes fast-current loops and makes minimizing EMI and EMC emissions easier.

Features

  • Transient circuit included for load transient evaluation
  • EMI filter included to reduce noise in EMI emission tests
  • MODE pin pull-up option for pulse-skipping mode evaluation

Specifications

  • 2.25V to 5.5V input voltage range
  • 1.176V to 1.224V output voltage range
  • 15A output current
  • 1.8MHz to 2.2MHz switching frequency range
  • 92.5% efficiency

Schematic Diagram

Schematic - Analog Devices Inc. EVAL-LTC3313EV-A-Z Evaluation Board
Published: 2023-03-05 | Updated: 2023-03-07