Analog Devices Inc. LTC2975 4-Channel PMBus™ Power System Managers
Analog Devices Inc. LTC2975 4-Channel PMBus™ Power System Managers (PSMs) are designed to sequence, trim (servo), margin, supervise, manage faults, provide telemetry, and create fault logs. These digital PSMs with a PMBus-compliant command set supports power supply sequencing, precision point-of-load voltage adjustment, and margining. The programmable fault responses can disable the power supplies with an optional retry after a fault is detected. The faults that disable the power supplies can automatically trigger black box EEPROM storage of fault status and associated telemetry. The LTC2975 PSMs feature an internal 16-bit Analog-to-Digital Converter (ADC) that monitors four output voltages, four output currents, four external temperatures, input voltage, input current, and die-temperature. Typical applications include computers, network servers, industrial test/measurement, video/medical imaging, and high-reliability systems.Features
- Sequence, trim, margin, and supervise 4x power supplies
- Manage faults, monitor telemetry, and create fault logs
- Coordinate sequencing and fault management across multiple LTC PSM devices
- PMBus-compliant command set
- Supported by LTpowerPlay® GUI
- Automatic fault logging to internal EEPROM
- Operate autonomously without additional software
- Margin or trim supplies to within 0.25% of the target
- Monitor input current (±1%) and accumulate energy
- Fast OV/UV and OC supervisors per channel
- External temperature and input voltage supervisors
- Accurate monitoring of 4x output voltages, 4x output currents, 4x external temperatures, input voltage, input current, and internal die temperature
- I2C/SMBus serial interface
- Can be powered from 3.3V or 4.5V to 15V
- Pin-compatible with the LTC2974
- Available in 64-lead 9mm × 9mm QFN package
Applications
- Computers and network servers
- Industrial test and measurement
- Video and medical imaging
- High-reliability systems
Typical Application Circuit
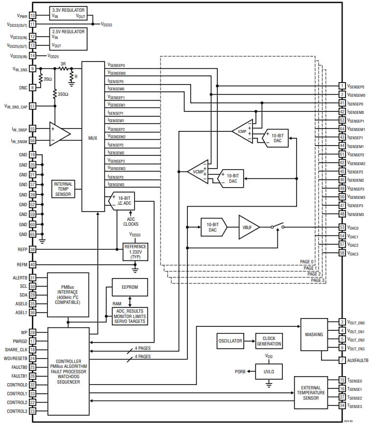
Block Diagram
Additional Resources
FPGA Power System Management
FPGAs are spreading to all kinds of electronic systems, even taking over the job of ASICs, but they come surrounded by a complicated power system. Analog Devices has a wide range of DPSM products to help manage this complexity.
Current Sensing with PMBus Digital Power System Managers - Part 1
Published: 2020-02-25
| Updated: 2025-03-25
