Analog Devices Inc. LTM2881/2885 RS485/RS422 μModule Transceivers
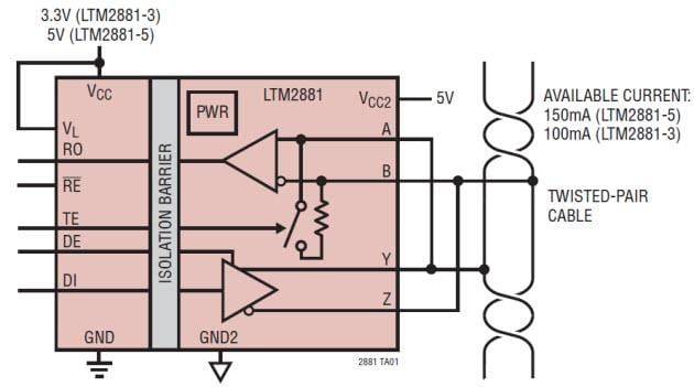
Analog Devices Inc. LTM2881/LTM2885 RS485/RS422 μModule® Transceivers are complete, galvanically isolated full-duplex RS485/RS422 micromodule transceivers. The transceivers guard against large ground-to-ground differentials and common-mode transients in RS485 and RS232 networks.The LTM2881/LTM2885's coupled inductors and isolation power transformer deliver 2500/6500VRMS of isolation between the line transceiver and the logic interface. An integrated, low EMI DC/DC converter powers both sides of the interface. The converter also provides an additional isolated output supply up to 5V.
Requiring no external components, the transceivers offer a complete μModule solution for isolated serial data communications. The devices achieve data rates up to 20Mbps or 250kbps in slew-limited mode. The Analog Devices LTM2881/LTM2885 transceivers guarantee uninterrupted communication for common-mode transients up to 50kV/μs. Enhanced ESD protection enables the transceivers to withstand ±15kV without latch-up or damage. The transceivers are well suited for systems in which the ground loop is broken and common-mode voltage variation is present.
Features
- RS485/RS422 Transceiver
- 2500VRMS for 1 minute (LTM2881)
- 6500VRMS for 1 minute (LTM2885)
- UL-CSA recognized file #E151738 (LTM2881)
- CSA component acceptance notice 5A (LTM2881)
- 5V isolated DC power at U200mA
- No external components required
- 20Mbps or low EMI 250kbps data rate
- High ESD: ±15kV HBM on transceiver interface
- High Common Mode Transient Immunity
- 30kV/μs (LTM2881)
- 50kV/μs (LTM2885)
- Integrated selectable 120Ω termination
- 3.3V (LTM2881-3) or 5.0V (LTM2881-5) operation
- 1.62V to 5.5V logic supply pin for flexible digital interface
- Maximum Continuous Working Voltage
- 560VPEAK (LTM2881)
- 690VRMS (LTM2885)
- High input impedance failsafe RS485 receiver
- Current limited drivers and thermal shutdown
- Compatible with TIA/EIA-485-A and PROFIBUS
- High impedance output during internal fault condition
- Low current shutdown mode (<10μA)
- General-purpose CMOS isolated channel
Applications
- Isolated RS485/RS422 interface
- Industrial networks
- Breaking RS485 ground loops
- Isolated PROFIBUS-DP networks
Additional Resources
LTM2881 Typical Application
LTM2885 Typical Application
