Analog Devices / Maxim Integrated MAX17263GEVKIT Evaluation Kit

Analog Devices MAX17263GEVKIT Evaluation Kit is a fully assembled and tested surface-mount PCB that evaluates the stand-alone ModelGauge™ m5 host-side fuel-gauge ICs. This kit includes a Maxim DS91230+ USB interface, IC evaluation board, and RJ-11 connection cable. The MAX17263GEVKIT kit requires Windows® 7 or newer operating system to use with the Graphical User Interface (GUI) software. This evaluation board features an onboard LED array, thermistor measurement network, optional onboard PCB trace sense resistor, and a proven PCB layout.

Features

  • ModelGauge m5 algorithm
  • Monitors single-cell or multi-cell packs
  • Onboard LED array
  • Thermistor measurement network
  • Optional onboard PCB trace sense resistor
  • Windows 7 or newer compatible software
  • Proven PCB layout
  • Fully assembled and tested

Required Equipment

  • MAX17263GEVKIT evaluation kit
  • A lithium battery pack of the desired configuration
  • Battery charger or power supply
  • Load circuit
  • DS91230+ USB adapter
  • RJ-11 6pos reverse modular cord
  • PC with Windows 7 or newer Windows operating system and USB port

Videos

Application Circuit Diagram

Application Circuit Diagram - Analog Devices / Maxim Integrated MAX17263GEVKIT Evaluation Kit

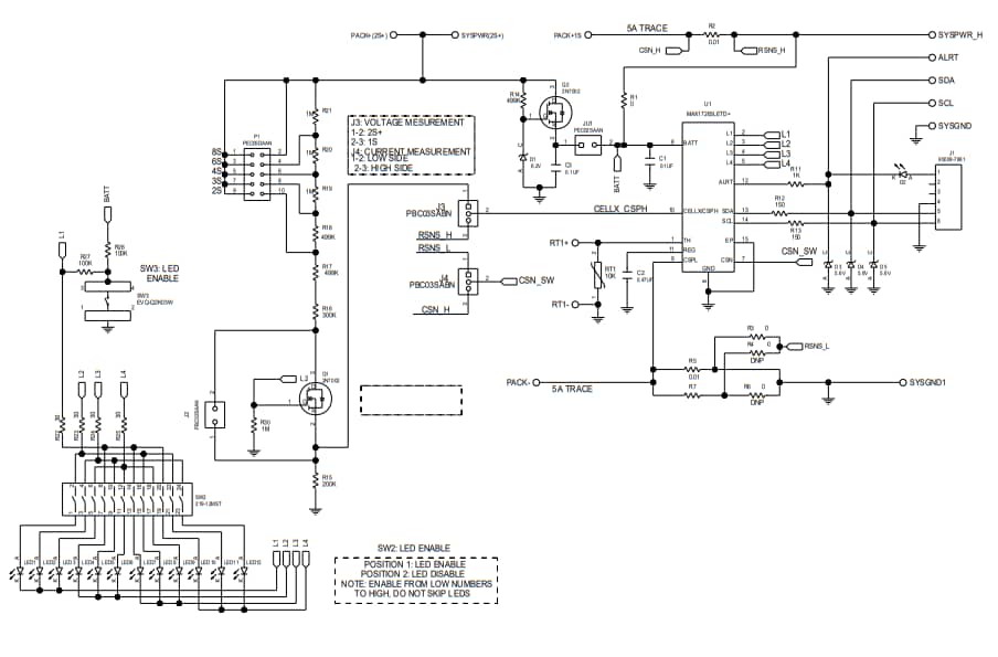
Board Schematic

Schematic - Analog Devices / Maxim Integrated MAX17263GEVKIT Evaluation Kit
Published: 2018-08-19 | Updated: 2023-04-25