Analog Devices / Maxim Integrated MAX20457 Evaluation Kit

Analog Devices Inc. MAX20457 Evaluation Kit is a fully assembled and tested application circuit that simplifies the MAX20457 2.1MHz Buck Converters evaluation. ADI MAX20457 operates with an input voltage supply from 3.5V to 36V and can operate in dropout conditions by running at a 95% duty cycle. All installed components are rated for the automotive temperature range, and various test points and jumpers are included.

Analog Devices MAX20457 Evaluation Kit comes with the MAX20457ATIE/VY+ installed (5V, 3.3V, 2.1MHz). The Kit also can be used to evaluate other MAX20457 variants with minimal component changes.

Features

  • Dual high-voltage step-down converters with integrated power FETs to minimize board-area occupancy
  • 3.5V to 40V Input supply range
  • Buck1 provides 5V output up to 3.5A output current
  • Buck2 provides 3.3V output up to 2A output current
  • Buck output voltages adjustable between 1V and 14V using external resistors
  • ±2% Output voltage accuracy for buck converters
  • Selectable buck2 input source
  • Frequency-synchronization input
  • Independent enable inputs
  • Voltage-monitoring PGOOD outputs
  • Jumpers and test points on key nodes for simplified evaluation
  • Proven PCB layout
  • Fully assembled and tested

Required Equipment

  • MAX20457 EV kit
  • 15V, 7A DC power supply (PS1)
  • Two voltmeters (VM1 and VM2)
  • Two electronic loads (EL1 and EL2)

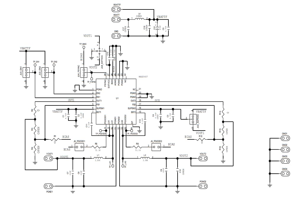
Schematic

Schematic - Analog Devices / Maxim Integrated MAX20457 Evaluation Kit
Published: 2021-02-08 | Updated: 2023-04-14