Analog Devices Inc. MAX22007EVKIT Evaluation Kit

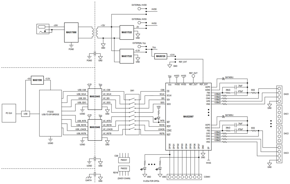
Analog Devices MAX22007EVKIT Evaluation Kit provides the hardware and software necessary to evaluate the MAX22007 Industrial Four-Channel Configurable Analog Output. The MAX22007EVKIT communicates with a graphical user interface (GUI) running on a PC through a USB port. The evaluation kit provides the onboard FT2232 USB-to-SPI bridge for SPI communication but also allows an external SPI master to communicate with the MAX22007 through the PMOD1 connector. The onboard DC-DC converters generate necessary supply voltages, +15V for HVDD, +3.3V for VDD, and -2V for HVSS to power the MAX22007. Multiple MAX22007EVKIT boards can be connected in daisy-chain mode using PMOD1 and PMOD2 connectors.

Features

  • Two accessible modes
    • Analog output-voltage mode
    • Analog output-current mode
  • Supports load impedance detection
  • Access to all GPIOs
  • Windows® 10-compatible software
  • Proven PCB layout
  • Fully assembled and tested

Applications

  • Building automation analog outputs
  • Configurable analog output cards
  • Factory automation analog outputs
  • Process automation
  • Programmable logic controllers

Required Equipment

  • MAX22007EVKIT evaluation kit
  • Micro-USB cable
  • 24V, 1A DC power supply
  • Windows 10 PC with a spare USB port
  • Multimeter

Block Diagram

Block Diagram - Analog Devices Inc. MAX22007EVKIT Evaluation Kit
Published: 2020-10-20 | Updated: 2024-07-15