Analog Devices / Maxim Integrated MAX38889 Reversible Buck/Boost Regulator
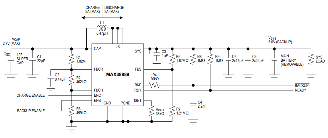
Analog Devices Inc. MAX38889 Reversible Buck/Boost Regulator is designed for backup applications. The MAX38889 offers a 2.5V to 5.5V system output voltage range, ±1% threshold accuracy, and 94% peak efficiency in charging or discharging mode. ADI Maxim MAX38889 Reversible Buck/Boost Regulator is housed in a 3mm x 3mm, 16-Pin TQFN package.Features
- 2.5V to 5.5V System output voltage range
- 0.5V to 5.5V Supercapacitor voltage range
- ±1% Threshold accuracy
- 2.5% Hysteresis between backup and charging
- 1A to 3A Peak inductor current limit
- Peak inductor current is pin-programmable over 1A to 3A through external resistor
- 94% Peak efficiency, charging or discharging mode
- 4µA Quiescent current in ready state
- After supercapacitor is charged, draws only 4µA of quiescent current
- Ready and backup state outputs
- RDY and BKB flags provide real-time status to system
- 3mm x 3mm, 16-Pin TQFN package
Applications
- Handheld industrial equipment
- Portable devices/computers with removable battery
- Industrial sensor and actuators
- Aftermarket automotive tracking
Functional Diagram
Application Circuit
Published: 2021-04-19
| Updated: 2023-04-13
