Apex Microtechnology SA53 Amplifier with Integrated Gate Driver

Apex Microtechnology SA53 Amplifier with Integrated Gate Driver is a monolithic, low-cost, single-package solution for driving brush-type DC motors. The Apex Microtechnology SA53 allows a seamless digital interface using an MCU or DSP. Individual control of the top and bottom side output FETs is allowed via direct signals from the processor. Thermal and short circuit monitoring for the SA53 is provided, which generates fault signals for the microcontroller to take appropriate action.

Features

  • Voltage supply operation of 10V to 60V
  • High output current of 3A continuous, 10A PEAK per phase
  • Low-cost intelligent switching amplifier
  • Directly connects to most embedded microcontrollers and digital signal controllers
  • Integrated gate driver logic with dead time generation and shoot-through prevention
  • Over 10A PEAK output current per phase
  • User-programmable cycle-by-cycle current limit protection
  • Over-current and over-temperature warning signals

Applications

  • Bidirectional DC brush motors
  • Two unidirectional DC brush motors
  • Two independent solenoid actuators
  • Stepper motors

Videos

Typical Application

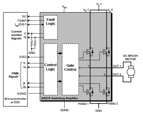
Application Circuit Diagram - Apex Microtechnology SA53 Amplifier with Integrated Gate Driver
Published: 2020-08-21 | Updated: 2024-04-05