Apex Microtechnology MP118 High Power Bandwidth Amplifiers
Apex Microtechnology MP118 High Power Bandwidth Amplifiers provide a cost-effective solution in industrial applications. The Apex Microtechnology MP118 offers an outstanding performance that rivals more expensive hybrid components. The amplifiers have a footprint of only ≈26cm2 (4 in2). The 140kHz power bandwidth and 10A output of the MP118 makes it a good choice for piezo transducer drive applications.Features
- High voltage 200V
- High output current 10A continuous
- 100W dissipation capability
- 140kHz power bandwidth
- Temperature monitor
- Integrated shut-down
Applications
- Inkjet printer head drive
- Piezo transducer drive
- Industrial instrumentation
- Reflectometers
- Ultrasound transducer drive
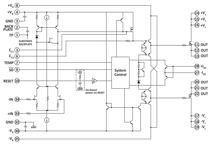
Equivalent Schematic
Videos
Published: 2022-12-08
| Updated: 2022-12-29
