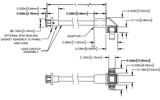
BIVAR SZR Right Angle Flexible Light Pipes
BIVAR SZR Right Angle Flexible Light Pipes are 6-inch and 10-inch LED pipes made of black fiber and a clear/smoked/diffused lens. These pipes are right angle off of the board, making them suitable for designs with limited space in the enclosure. The SZR light pipes have an LED size of 4.19mm/5.08mm with a mounting style of SMD/SMT and vertical orientation. These pipes have an IP54 water/moisture rating and an optional IP54 sealing gasket applied to the panel and lens. The SZR light pipes are available in black, green, yellow, white, and blue color fiber cables.
Features
- Clear, smoked, and diffused lenses
- Black color fiber cable
- IP54 moisture/water rating
- 4.19mm LED size
- SMD/SMT mounting style
- Vertical orientation
- 10-inch and 6-inch body length
- Round low profile lens
Additional Resource
Mechanical Drawing
View Results ( 336 ) Page
| Part Number | Datasheet | LED Size | Body Length | Mounting Style | Color |
|---|---|---|---|---|---|
| SZR1-6.00-F4P | ![]() |
4.19 mm | 6 in | SMD/SMT | Black |
| SZR1-6.00-F4PS54 | ![]() |
4.19 mm | 6 in | SMD/SMT | Black |
| SZR4-6.00-F5P54 | ![]() |
5.08 mm | 6 in | SMD/SMT | Black |
| SZR1-10.00-F4PD54 | ![]() |
4.19 mm | 10 in | SMD/SMT | Black |
| SZR1-10.00-F4P54 | ![]() |
4.19 mm | 10 in | SMD/SMT | Black |
| SZR4-6.00-F5P | ![]() |
5.08 mm | 6 in | SMD/SMT | Black |
| SZR1-10.00-F4P | ![]() |
4.19 mm | 10 in | SMD/SMT | Black |
| SZR1-6.00-F4PD | ![]() |
4.19 mm | 6 in | SMD/SMT | Black |
| SZR1-6.00-F4PD54 | ![]() |
4.19 mm | 6 in | SMD/SMT | Black |
| SZR1-10.00-F4PD | ![]() |
4.19 mm | 10 in | SMD/SMT | Black |
Published: 2022-05-30
| Updated: 2025-12-09

