Bourns PAC18R 18mm Low Profile Absolute Encoders

Bourns PAC18R 18mm Low Profile Absolute Encoders offer a 1mA @ 10VDC contact rating, 10MΩ @ 500VDC insulation resistance, and IP64 rating. The PAC18R encoders feature an insulated plastic shaft sealing for an enhanced IP level and superior, high-class rotational feel. These encoders have a low profile and up to 30,000 rotation cycle rating. Bourns PAC18R 18mm Low Profile Absolute Encoders are designed for applications where a sealed menu select absolute encoder is required, including professional audio equipment, communications equipment, and industrial automation controls.

Features

  • Low profile absolute encoder
  • 30,000 rotational cycle rating
  • -35°C to +70°C operating temperature range
  • High-class rotational feel
  • IP64 shaft sealing
  • Insulated plastic shaft and bushing
  • Optional haptic detent feedback
  • RoHS compliant

Applications

  • Professional audio equipment
  • Professional lighting consoles
  • Consumer white goods
  • Low/medium risk medical and diagnostic equipment
  • Test and measurement equipment
  • Communications equipment
  • Laboratory equipment
  • Industrial automation controls

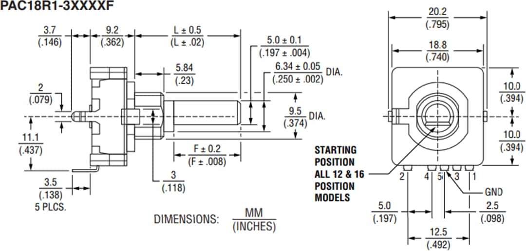
Dimensions (PAC18R1-3XXXXF)

Mechanical Drawing - Bourns PAC18R 18mm Low Profile Absolute Encoders

Dimensions (PAC18R1-4XXXXF)

Mechanical Drawing - Bourns PAC18R 18mm Low Profile Absolute Encoders
Published: 2021-01-22 | Updated: 2022-03-11