Bourns SC Mini-Breakers (Miniature Thermal Cutoff Device)

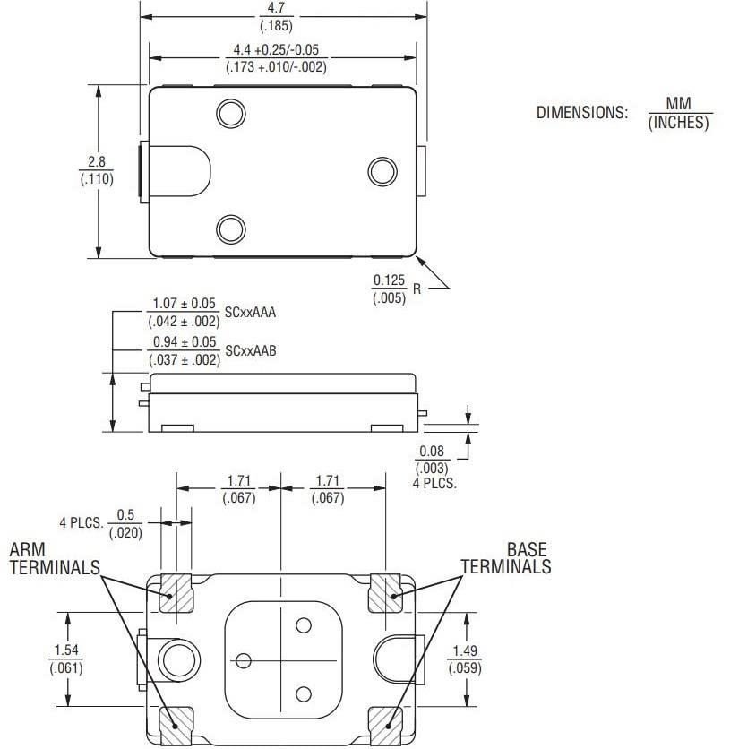
Bourns SC Mini-Breakers are surface-mount miniature resettable Thermal Cutoff (TCO) devices. These mini-breaker devices feature current capabilities from 5.5A up to 8A at 60°C and are available in two height options. The low-profile SCxxAAB version offers a height of just 0.94mm ±0.05mm, whereas the reinforced SCxxAAA version is at 1.07mm ±0.05mm height. This design of the Bourns SC series helps to withstand the high injection molding pressures experienced during USB cable manufacturing.  

In addition, the SC series miniature resettable TCO devices are designed to withstand humid environments and incorporate a high corrosion resistance bimetal mechanism. These devices offer Overtemperature Protection (OTP), Overcurrent Protection (OCP), and a wide range of temperature options. The primary application for these devices is battery cell protection in smartphones and USB 3.1 type C cables. 

Features

  • Miniature thermal cutoff devices
  • Smaller body size with a surface mount option
  • Overtemperature and overcurrent protection
  • Controls abnormal and excessive current virtually instantaneously, up to rated limits
  • Wide range of temperature options
  • High corrosion resistance
  • Available in low-profile and high force withstand height options
  • RoHS compliant

Applications

  • Battery cell protection for
    • Notebook PCs
    • Tablet PCs
    • Smartphones
  • Overtemperature protection for
    • USB Type C cables (smartphone cables, notebook AC adapters)
    • Electronic cigarettes

Circuit Diagram

Application Circuit Diagram - Bourns SC Mini-Breakers (Miniature Thermal Cutoff Device)

Dimensions

Mechanical Drawing - Bourns SC Mini-Breakers (Miniature Thermal Cutoff Device)
Published: 2019-02-13 | Updated: 2023-03-16