Bourns SM353230-181N7Y Chip LAN Transformer

Bourns SM353230-181N7Y Chip LAN Transformer is IEEE 802.3 Ethernet compatible, 1G/2.5G/5G Base-T compatible, and offers a 3.5mm x 3.2mm x 2.9mm size. This transformer has center-tapped components wound on a drum core and capped with a ferrite plate, emulating the result of the close magnetic path of a toroid core. This series features discrete transformers and common mode chokes for a flexible PCB layout. Bourns SM353230-181N7Y Chip LAN Transformer is ideal for high-speed telecommunication and network devices.

Features

  • IEEE 802.3 Ethernet compatible
  • Compatible with 1G/2.5G/5G BASE-T 
  • 3.5mm x 3.2mm x 2.9mm dimensions
  • Discrete transformers and common mode chokes for a flexible PCB layout
  • Pairing common mode choke SRF2012A-801Y for EMI reduction
  • -40°C to +85°C temperature range
  • RoHS compliant and halogen free
  • Ideal for high-speed telecommunication and network devices

Applications

  • High-speed telecommunications
  • Network devices

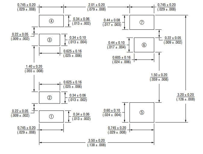
Terminal Dimensions - Top View

Chart - Bourns SM353230-181N7Y Chip LAN Transformer
Published: 2021-01-11 | Updated: 2024-03-28