Broadcom ACPL-K30T MOSFET Drivers
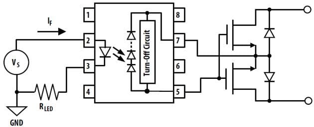
Broadcom ACPL-K30T Automotive Photovoltaic MOSFET Drivers with R²Coupler™ Isolation drive high-voltage MOSFETs while withstanding the extreme heat of automotive under-the-hood applications. ACPL-K30T provides a fast switching speed of 0.8ms (TON), 0.04ms (TOFF) typical at IF=10mA, CL=1nF, and a high open-circuit voltage of 7V typical at IF=10mA.These devices consist of an AlGaAs infrared Light-Emitting Diode (LED) input stage optically coupled to an output detector circuit. The detector features a high-speed photovoltaic diode array and a turn-off circuit. The photovoltaic driver turns on (contact closes) with a minimum input current of 5mA through the input LED. The relay driver turns off (contact opens) with an input voltage of 0.8V or less.
The ACPL-K30T R²Coupler isolation devices provide reinforced insulation and reliability to deliver safe-signal isolation critical in automotive and high-temperature industrial applications with a temperature range of -40°C to +125°C. Qualified to AEC-Q100 Grade 1 Test Guidelines, ACPL-K30T Automotive Photovoltaic MOSFET Drivers are ideal for battery-insulation resistance measurement/leakage detection, BMS flying capacitor topology for sensing batteries, and solid-state relay modules.
Features
- Qualified to AEC-Q100 Grade 1 Test Guidelines
- Automotive temperature range: -40°C to +125°C
- Photovoltaic Driver for High Voltage MOSFETs for Automotive Applications
- Open Circuit Voltage: 7V Typical at IF =10mA
- Short Circuit Current: 5μA Typical at IF =10mA
- Logic Circuit Compatibility
- Switching Speed: 0.8ms (TON), 0.04ms (TOFF) Typical at IF = 10mA, CL = 1nF
- Configurable to a wide portfolio of high voltage MOSFETs
- Galvanic Isolation
- High Input-to-Output Insulation Voltage
- Safety and Regulatory Approvals
- IEC/EN/DIN EN 60747-5-5 Maximum Working Insulation Voltage 1140VPEAK
- 5000VRMS for 1 minute per UL1577
- CSA Component Acceptance
Applications
- Solid State Relay Module
- BMS Flying Capacitor Topology for Sensing Batteries
- Battery Insulation Resistance Measurement / Leakage Detection
Typical Application Circuit
