CHERRY Embedded Solutions RK3399-Q7 System-on-Module
CHERRY Embedded Solutions RK3399-Q7 System-on-Module (SOM) is a low-power, high-performance processor for computing, personal mobile internet devices, and other smart device applications. Based on a big.LITTLE architecture, the RK3399-Q7 integrates a dual-core Cortex-A72 and a quad-core Cortex-A53. Measuring a space-saving 70mm x 70mm and adhering to the industry-standard Qseven pin-out, this SOM is an ideal choice for developing future-proof devices. The CHERRY Embedded Solutions RK3399-Q7 features a wide range of high-performance embedded peripherals, advanced hardware security, and fast processing to create connected industrial devices with rich user interfaces.The RK3399-Q7 can support three independent display interfaces concurrently via HDMI 2.0, eDP, and two MIPI-DSI interfaces. The ability to receive camera sensor input through two independent MIPI-CSI interfaces and to process the resulting image stream in real-time with the powerful ARM processor cores enables a new class of vision and image analytics applications. The RK3399 supports multi-format video decoding (including H.264 and H.265 at 2160p60) and video encoding. An embedded high-performance ARM Mali T-864MP4 GPU supports OpenGL ES1.1/2.0/3.0/3.1 and OpenCL. A dedicated 2D hardware engine provides offloading for image scaling, rotation, and window composition.
The RK3399-Q7 SOM offers connectivity through integrated Gigabit Ethernet, a 4-lane PCI-Express 2.1 interface, three USB 3.0 (with one port operating in the host or device mode), and one legacy USB 2.0 port. Using USB 3.0 SuperSpeed, applications can transfer up to 5Gb/s per port.
The RK3399-Q7 features a government-grade security solution for all identification, key storage, and asset protection requirements. A Common Criteria (EAL4+) certified security module ensures that designers will never have to sacrifice security for performance. Built on a GlobalPlatform 2.2.1 compliant JavaCard environment, the CHERRY Embedded Solutions RK3399-Q7 Module provides a trusted foundation for security applications, including digital asset protection, secure key storage, and remote device authentication.
Features
- Qseven 2.1 form factor
- Processor
- Rockchip RK3399
- Hexa-Core Arm Cortex-A72/A53, up to 2.0GHz
- 2x Cortex-A72 (48KB+32KB L1 cache and 1024KB L2 cache)
- 4x Cortex-A53 (32KB+32KB L1 cache and 512KB L2 cache)
- Arm Mali T-864MP4 GPU
- Multi-format video encoding/decoding co-processor
- Video decoding up to 2160p (60fps)
- Video encoding up to 1080p (30fps)
- Memory
- DDR3-1600 (2 independent channels, each 32 bit wide), up to 4GB on-module
- SOM-RK3399-Q7-2.1-I-4096M-32G-CAN: 4GB
- SOM-RK3399-Q7-2.1-C-2048M-8G-CAN: 2GB
- DDR3-1600 (2 independent channels, each 32 bit wide), up to 4GB on-module
- NOR Flash: SPI NOR flash on-module
- eMMC Flash
- Up to 128GB eMMC on-module
- SOM-RK3399-Q7-2.1-I-4096M-32G-CAN: 32GB
- SOM-RK3399-Q7-2.1-C-2048M-8G-CAN: 8GB
- Ethernet: 10/100/1000 Mbps (with an on-module triple-speed GbE PHY)
- USB
- 1x USB 3.0 SuperSpeed dual-role port
- 2x USB 3.0 SuperSpeed host port
- 1x USB 2.0 high-speed host ports
- PCI-Express: 4-lane PCIe 2.1, up to 5GT/s
- UART, 8x GPIO, I2S, I2C, SMBus, SPI, FAN interfaces
- Display
- HDMI 2.0, up to 2160p (60fps)
- 2x MIPI-DSI, each up to 2560x1600 (60fps)
- Embedded DisplayPort (eDP), up to 4 lanes (2.7Gb/s each)
- Camera: 2x MIPI-CSI, each with 4 lanes (up to 1.5Gb/s per lane)
- CAN On-module communication offload controller for CAN
- Security module
- Global Platform 2.2.1 compliant JavaCard environment
- On-module state-of-the-art, EAL4-certified smartcard controller
- Note: Custom board variants may exclude the security-module option.
- Operating systems
- Linux
- Android
- DVFS for thermal and power management
- Operates from a single 5V supply
- <15W consumption
- Operating environment
- SOM-RK3399-Q7-2.1-I-4096M-32G-CAN
- -20ºC to +85ºC (industrial)
- SOM-RK3399-Q7-2.1-C-2048M-8G-CAN
- 0ºC to +70ºC (commercial)
- SOM-RK3399-Q7-2.1-I-4096M-32G-CAN
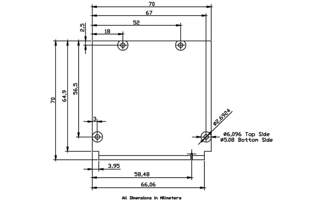
- 70mm x 70mm (2.75” x 2.75”) dimensions
Applications
- Visualization and rendering
- Video processing
- Industrial control
- Security
- Networking
- Internet of Things (IoT) applications
Technical Documents
- RK3399-Q7 System-on-Module
- Rockchip RK3399 System-on-Chip
Module Overview
Module Dimensions
