Cosel GHA700F Power Supplies

Cosel GHA700F Power Supplies are 700W high-density base plate-cooled AC/DC power supplies with low leakage current. These power supplies deliver power based on the robust platform with optimized thermal conduction. The GHA700F power supplies feature a power density of 33.8W/in3, a universal input voltage range of 85VAC to 264VAC, and an efficiency of up to 96%. These power supplies are available in four output voltages of 24VDC, 30VDC, 48VDC, and 56VDC, to power an extensive range of systems-bus voltages. The GHA700F power supplies offer inrush current limitation, over-voltage protection, and over-current protection with automatic recovery when the fault condition is removed. The GHA700F measures 76.2mm x 38.1mm x 127mm (W x H x D) and weighs 570g maximum. These power supplies are used in medical and ITE applications.

Features

  • Active PFC and high efficiency of up to 96%
  • Aluminum chassis to ease conduction cooling
  • 3” x 5” industry standard footprint
  • Fit 1U applications
  • Industrial and medical safety approvals
  • Low leakage current
  • Remote On/Off
  • Isolated dual AUX (AUX1 12V 1A, AUX2 5V 1A)
  • Conformal coating
  • Comply with EN61558-2-16 (OVC III), simplifying the design to conform to EN60335

Specifications

  • Rated output voltages:
    • 24VDC
    • 30VDC
    • 48VDC
    • 56VDC
  • 700W maximum rated output wattage
  • High power density up to 31.1W per cubic inch
  • 85VAC to 264VAC input voltage range
  • -20°C to 70°C operating temperature range
     

Block Diagram

Block Diagram - Cosel GHA700F Power Supplies

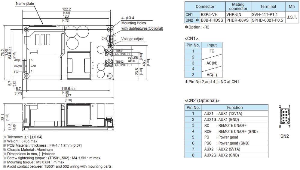
Mechanical Drawing

Mechanical Drawing - Cosel GHA700F Power Supplies

Videos

Published: 2023-04-06 | Updated: 2025-12-15