CUI Inc Novum® NQB-D DC-DC Converters

CUI Novum® NQB-D is a series of fully regulated 1/4 brick intermediate bus DC-DC Converters with digital control. A 32-bit ARM-based microcontroller with power-optimizing firmware maximizes efficiency as well as provides peak performance across a wide range of loading conditions. A diverse range of configurable power management features is available for the NQB-D series via PMBus. Configurable features include output voltage, fault response, and soft start/stop. These modules are pin and function compatible with Architects of Modern Power™ (AMP Group) product standards.

Features

  • Pin and function compatible with Architects of Modern Power™ product standards
  • Quarter-brick with digital PMBus interface 57.9 x 36.8 x 11.3mm (2.28 x 1.45 x 0.445in)
  • Industry standard 5-pins for intermediate bus architectures
  • Industry-leading power density for telecom and datacom 127W~141W / sq. in
  • 96.4% High-efficiency at half load, 12Vout
  • Gully regulated advanced bus converter from 36~75Vin
  • Configurable soft start/stop
  • Precision delay and ramp-up
  • Voltage margining
  • Voltage/current/temperature monitoring
  • Configurable output voltage and fault response
  • Power good
  • 2250VDC input to output isolation
  • Fast feed-forward regulation to manage line transients
  • Optional baseplate for high-temperature applications
  • Droop load sharing with 10% current share accuracy
  • PMBus Revision 1.2 compliant
  • 2.9 million hours MTBF
  • ISO 9001/14001 certified supplier

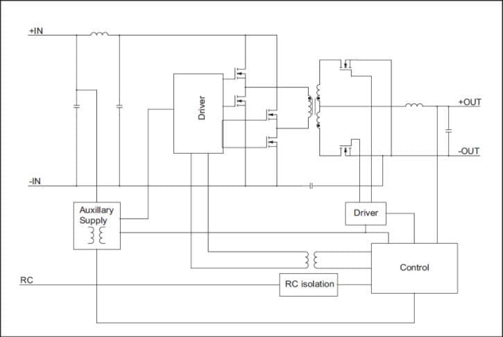
Application Circuit Diagram

Application Circuit Diagram - CUI Inc Novum® NQB-D DC-DC Converters
Published: 2015-02-24 | Updated: 2022-03-11