Diodes Incorporated AP64350QSP Evaluation Board

Diodes Incorporated AP64350QSP Evaluation Board features a simple layout and allows access to the appropriate signals through test points. The AP64350QSP evaluation board is designed to evaluate the AP64350Q 3.5A synchronous buck converter. This converter offers a wide input voltage range of 3.8V to 40V. The AP64350Q buck converter fully integrates a 75mΩ high-side power MOSFET and a 45mΩ low-side power MOSFET to provide high-efficiency step-down DC-DC conversion.

Features

  • 3.8V to 40V input voltage range
  • 5V output voltage
  • 3.5A continuous output current
  • 0.8V ± 1% reference voltage
  • 22μA low quiescent current

Applications

  • 5V, 12V, and 24V distributed power bus supplies
  • White goods and small home appliances
  • Home audio
  • Network systems
  • Consumer electronics
  • Cordless power tools
  • Optical communication and networking systems
  • General-purpose point of load

Board Overview

Diodes Incorporated AP64350QSP Evaluation Board

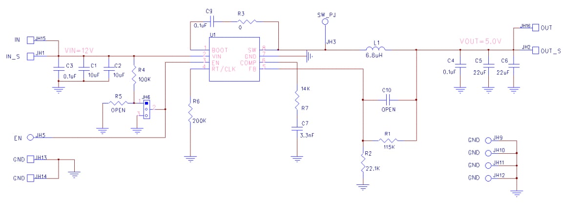
Schematic Diagram

Schematic - Diodes Incorporated AP64350QSP Evaluation Board
Published: 2020-07-15 | Updated: 2024-08-09