Diodes Incorporated AP64351SP-EVM Evaluation Board

Diodes Incorporated AP64351SP-EVM Evaluation Board evaluates the AP64351 3.5A synchronous buck converter. These converters are fully integrated with an 80mΩ high-side power MOSFET and a 50mΩ low-side power MOSFET to provide high-efficiency step-down DC-DC conversion. The AP64351SP-EVM board operates at -40°C to 125°C temperature range and 3.8V to 40V supply voltage range. This evaluation board offers 3.5A continuous output current. The AP64351SP-EVM board is ideal for use in LCD display, cigarette lighter adapters, chargers, USB Type-C power delivery, USB charging, and automotive systems.

Features

  • Evaluates AP64351 synchronous buck converter
  • 3.5A continuous output current
  • 3.8V to 40V supply voltage range
  • -40°C to 125°C operating temperature range

Applications

  • Battery pack powered system for cordless power tools, cordless home appliances, drones, aeromodelling, and GPS tracker
  • Cigarette lighter adapters and chargers
  • LCD
  • USB Type-C™ power delivery and USB charging
  • Industrial and medical distributed power supplies
  • Optical communication and networking system
  • Automotive systems

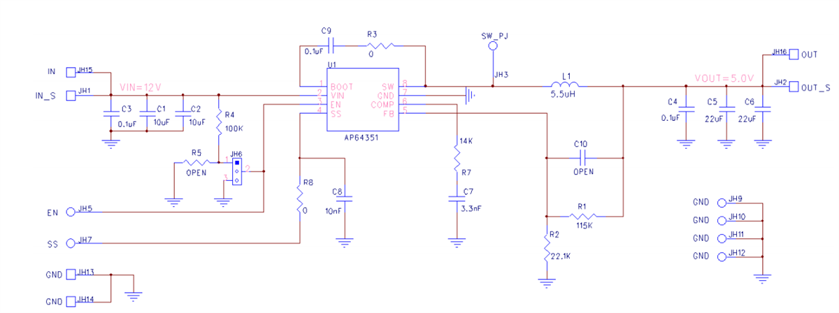
Schematic Diagram

Schematic - Diodes Incorporated AP64351SP-EVM Evaluation Board
Published: 2020-02-11 | Updated: 2024-07-24