Littelfuse CPC2501M Solid State Relay

Littelfuse CPC2501M Solid State Relay incorporates a normally closed (1-Form-B) solid state relay switch with an integrated circuit. This circuit is specifically designed to control and manage the relay state based on the applied voltage. The CPC2501M becomes a self-actuating and non-isolated solid-state relay that provides the ringing chime bypass function to ensure proper video and chime operation during video-doorbell configuration. In addition, the relay offers superior power handling of 2.5W, a fast response time of 170µs, fault protection circuitry, and a continuous load current of 1.84A. The CPC2501M solid state relay is used in applications like door chime bypass, building automation, Internet of Things (IoT), security, and voltage-controlled relay.

Features

  • 1-Form-B (normally closed) relay
  • Internal control circuitry:
    • Self actuating
    • Fault protection timer
  • 600mW maximum on-resistance at 25°C
  • 60V peak AC or DC load voltage
  • Load current:
    • 1.84ARMS continuous
    • 5A peak
  • 170μs maximum fast turn-on
  • Small 6mm x 6mm thermally enhanced QFN package

Applications

  • Video doorbell
  • Door chime bypass
  • Building automation
  • Internet of Things (IoT)
  • Security
  • Voltage-controlled relay

Typical Video Doorbell Application Circuit

Application Circuit Diagram - Littelfuse CPC2501M Solid State Relay

Functional Block Diagram

Block Diagram - Littelfuse CPC2501M Solid State Relay

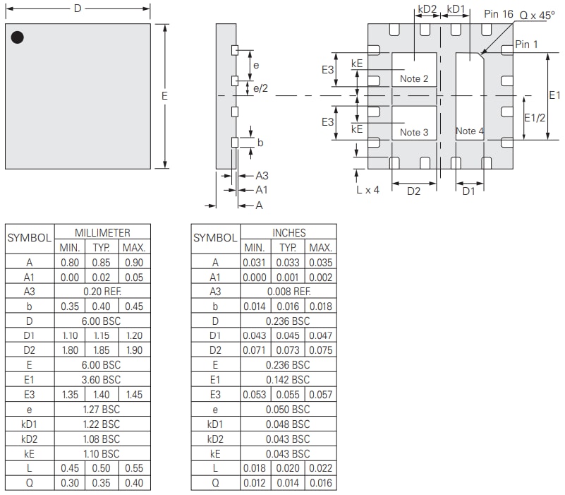
Mechanical Dimensions

Mechanical Drawing - Littelfuse CPC2501M Solid State Relay
Published: 2025-05-02 | Updated: 2025-05-22