ISSI Mobile DDR SDRAM

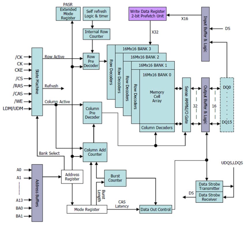
ISSI Mobile DDR SDRAM is organized as 4 banks of 16,777,216 words x 16 bits and uses a double-data-rate architecture to achieve high-speed operation. The Data Input/Output signals are transmitted on a 16-bit bus. The double data rate architecture is essentially a 2N prefetch architecture with an interface designed to transfer two data words per clock cycle at the I/O pins. ISSI Mobile DDR SDRAM offers fully synchronous operations referenced to both rising and falling edges of the clock. The data paths are internally pipelined and 2n-bits prefetched to achieve very high bandwidth. All input and output voltage levels are compatible with LVCMOS.

Features

  • JEDEC standard 1.8V power supply
  • VDD = 1.8V, VDDQ = 1.8V
  • Four internal banks for concurrent operation
  • MRS cycle with address key programs
  • CAS latency 2, 3 (clock)
  • Burst length (2, 4, 8)
  • Burst type (sequential & interleave)
  • Fully differential clock inputs (CK, /CK)
  • All inputs except data & DM are sampled at the rising edge of the system clock
  • Data I/O transaction on both edges of data strobe
  • Bidirectional data strobe per byte of data (DQS)
  • DM for write masking only
  • Edge aligned data and data strobe output
  • Center aligned data & data strobe input
  • 64ms refresh period (8K cycle)
  • Auto and self refresh
  • Concurrent auto precharge
  • Maximum clock frequency up to 200MHZ
  • Maximum data rate up to 400Mbps/pin
  • Power saving support
  • PASR (Partial Array Self Refresh)
  • Auto TCSR (Temperature Compensated Self Refresh)
  • Deep power down mode
  • Programmable driver strength control by full strength or 1/2, 1/4, or 1/8, of full strength
  • LVCMOS compatible inputs/outputs
  • 60-Ball FBGA package

Functional Block Diagram

Block Diagram - ISSI Mobile DDR SDRAM
Published: 2014-02-18 | Updated: 2025-09-04