IXYS IXSA80N120L2-7 SiC MOSFET
IXYS IXSA80N120L2-7 SiC MOSFET is an industrial-grade, single-switch SiC MOSFET exhibiting power cycling characteristics and very fast, low-loss switching behavior. This MOSFET features low conduction losses, low gate drive power requirements, and low thermal management effort and is optimized for gate control. The IXSA80N120L2-7 SiC MOSFET is used for high-speed industrial switch-mode power supplies. This SiC MOSFET is ideal for solar inverters, switch-mode power supplies, UPS, motor drives, DC/DC converters, EV charging infrastructure, and induction heating.Features
- 1200V drain-source voltage
- 30mΩ drain-source on-state resistance RDS(on)
- SiC MOSFET technology with -3/+15 to 18V gate drive
- 3000pF low input capacitance of Ciss
- Tvj = 175°C maximum virtual junction temperature
- High blocking voltage with low on-state resistance
- High-speed switching with low capacitance
- Ultra-fast intrinsic body diode with Trr = 54.8ns
- Kelvin source connection
- Moisture Sensitivity Level 1 (MSL 1) rated
- 395W total power dissipation at Tc = 25°C
Applications
- Solar inverters
- Switch mode power supplies
- UPS
- Motor drives
- DC/DC converters
- EV charging infrastructure
- Induction heating
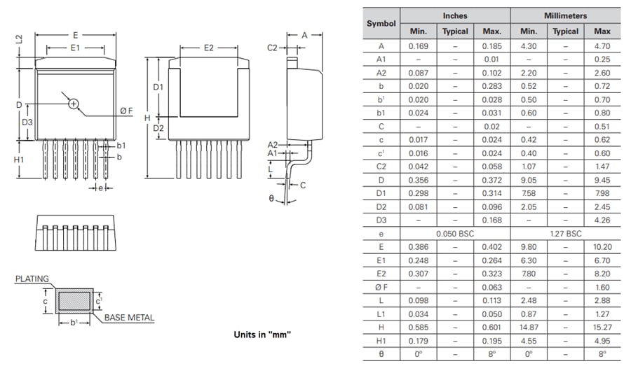
Dimension Diagram
Published: 2025-02-28
| Updated: 2025-03-17
