Kinetic Technologies KTA1142 IEEE 802.3bt-Compliant PoE-Powered Device

Kinetic Technologies KTA1142 IEEE 802.3bt-Compliant, PoE-Powered Device is a single-chip, highly integrated CMOS solution for Power-over-Ethernet (PoE) Powered Devices. The device includes a PWM controller incorporating all the circuitry required to design an efficient and smart converter for PoE and telecom mid-power applications up to a 71W output load. These applications include Voice over IP (VoIP) phones, 5G/LTE base stations, Wireless LAN access points, security cameras, and notebook computers.

The KTA1142 implements all the physical layer Powered Device (PD) functionality, as required by IEEE® 802.3af-2003, IEEE 802.3at-2009, and IEEE 802.3bt-2019 standards. This functionality includes 8-event classification, Type 1-2 or 3-4 PSE detection indicator, PD detection, under-voltage lockout (UVLO), and HotSwap FET integration.

The integrated DC/DC controller features adjustable slope compensation, dual complementary low-side drivers with programmable dead time, programmable soft-start, soft-stop, and programmable frequency dithering. The controller’s main target is a Flyback topology or Active Clamp Forward Converter for PoE.BT applications.

The Kinetic Technologies KTA1142 has been architected to address EM emission concerns in PoE applications. The chip implements many design features that minimize transmission of system common-mode noise onto the Unshielded Twisted Pair (UTP). The device is designed to provide low-impedance, safe discharge paths directly to the earth's ground, resulting in superior reliability and circuit protection.

Features

  • Fully supports IEEE Std. 802.3af/at/bt
  • Supports input power levels up to 90W
  • Supports class 0-8 power (up to 72W) for PoE PD
  • Integrated PWM peak current mode controller
  • Dual gate driver with dead time adjustment
  • High-efficiency topologies
    • Flyback, forward
    • Flyback with synchronous rectification
    • Flyback with active clamp
    • Forward with active clamp
  • Efficiencies up to 92.6%
  • Internal slope compensation
  • Internal pull-up resistor in feedback for an optocoupler and isolated connection
  • Robust Type 1, 2, 3, and 4 PSE detector with proprietary digital filtering line noise
  • Auto-adjust Maintain Power Signature (MPS) for Type 1-4 PSE
  • Supports up to five event classification
  • Programmable DC current limit up to 2.2A for 90W applications
  • Low RDSON 100V hot-swap FET (typical 0.13Ω)
  • IEC 61000-4-2/3/4/5/6 requirements for EMC compliance
  • Exceptional EMI performance
  • Frequency dithering programming pin for spread spectrum frequency operation
  • Integrated Short-Circuit Protection (SCP) and OCP
  • Over Temperature Protection (OTP)
  • Seamless support for local power down to 9.5V
  • Supports low-power standby modes
  • Auto class support
  • 4mm x 4mm, 32-lead WQFN package
  • -40°C to +125°C junction temperature range

Applications

  • Voice over IP (VoIP) phones and 5G/LTE base stations
  • Pan, tilt, and zoom (PTZ), security, and web cameras
  • Lighting and high-power wireless data systems
  • Wireless LAN access points, WiMAX terminals
  • Point-of-Sale (POS) terminals, RFID terminals
  • Thin clients and notebook computers
  • Fiber-to-the-home (FTTH) terminals

Typical Application

Application Circuit Diagram - Kinetic Technologies KTA1142 IEEE 802.3bt-Compliant PoE-Powered Device

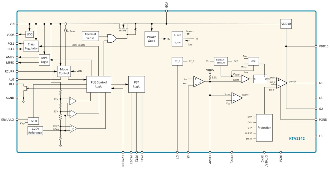
Functional Block Diagram

Block Diagram - Kinetic Technologies KTA1142 IEEE 802.3bt-Compliant PoE-Powered Device
Published: 2025-02-10 | Updated: 2025-06-23