Littelfuse CH1B050P Pyro-fuse Trigger

Littelfuse CH1B050P Pyro-fuse Trigger uses open-loop Hall technology to detect an overcurrent condition and provide an output signal to activate a pyro module. The CH1B050P current sensor triggers the pyro module directly and offers a high fault current interruption capability. This fast and reliable Littelfuse circuit protection solution features low power consumption in a compact, lightweight design.

Features

  • Designed for pyro module system applications
  • Current sensor triggers pyro directly
  • Very high fault current interruption capability
  • Various trigger levels
  • Asymmetric calibration possible
  • External trigger signal to pyro module
  • Diagnostic function
  • Open-loop Hall effect
  • Unipolar +12VDC power supply
  • -40°C to +85°C operating temperature range
  • Up to 1000VDC system voltage

Specifications

  • -16V to 24V maximum supply voltage
  • 200mA maximum supply current in measurement mode
  • 10A maximum supply current for 2ms during triggering
  • 50MΩ insulation resistance
  • 1mA leakage current due to dielectric voltage
  • 14.98mm creepage distance
  • 8.44mm clearance
  • UL 94V-0 flammability class
  • IP41 protection degree

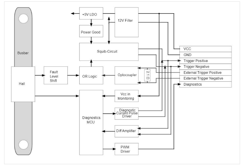
Block Diagram

Block Diagram - Littelfuse CH1B050P Pyro-fuse Trigger

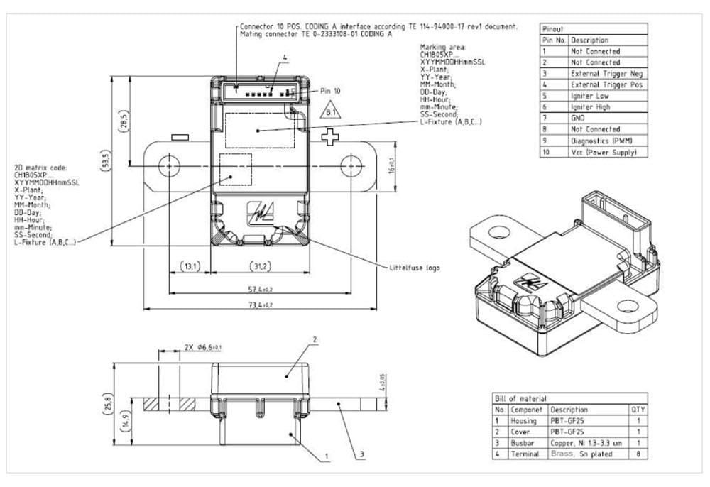
Dimensions (mm)

Mechanical Drawing - Littelfuse CH1B050P Pyro-fuse Trigger
Published: 2025-09-26 | Updated: 2025-10-24