Lumileds LUXEON SunPlus 5050 High-Power LEDs
Lumileds LUXEON SunPlus 5050 High-Power LEDs deliver high luminance from a single, multi-die package to enable cost-effective, single optic, and directional fixture designs. The LUXEON SunPlus 5050 LEDs use an industry-standard 5050 surface-mount package with an extremely small, 4.6mm Light Emitting Surface (LES). The LUXEON SunPlus 5050 LEDs come in 70CRI, 80CRI, and 90CRI with a wide range of color temperatures. Hot-color targeting ensures that these LEDs are within the color target at application conditions of 85°C.The LUXEON SunPlus 5050 HE LEDs are designed to meet the increasing demand for solar and off-grid solutions, renewable power options, and improved sustainability metrics. The 5050 HE LEDs offer 181 lumens per watt and reduce BOM costs. The 5050 HE provides superior flux maintenance and color stability in high sulfur environments with footprint compatibility. The LUXEON 5050 HE LEDs are ideal for outdoor, industrial, and horticulture applications where robustness, longevity, and efficacy are required. The 5050 HE LEDs are available in 2700 – 6500K CCTs at 70CRI and are characterized for both illumination and horticulture with lumen and efficacy ratings and PPF (µmol/s) and PPF/W (µmol/J).
Features
- Small 4.6mm LES (Light Emitting Surface) enables good optic design for great punch
- Enables highest efficacy system design by driving at low current
- Hot-color targeting ensures color is within ANSI bin at 85°C
- Binned within 3-step and 5-step MacAdam ellipse, ensuring color uniformity
- Compatible with low cost and high efficacy drivers
- 138° typical total included angle
- 116° typical viewing angle
- ESD sensitivity (ANSI/ESDA/JEDEC JS-001-2012) (Class 2)
- Forward voltage
- L150-xxxx502400000: 23.5V to 26.5V, 24.5V typical
- L150-xxxx500600000: 5.8V to 6.6V, 6.1V typical
- DC forward current
- L150-xxxx502400000: 240mA
- L150-xxxx500600000: 800mA
- 300mA peak pulsed forward current
- 125°C LED junction temperature (DC & Pulse)
- 105°C operating case temperature
- -40°C to +105°C LED storage temperature
Applications
- Downlights
- High bay
- Low bay
- Lamps
- Outdoor
- Spotlights
Light-Emitting Surface Types
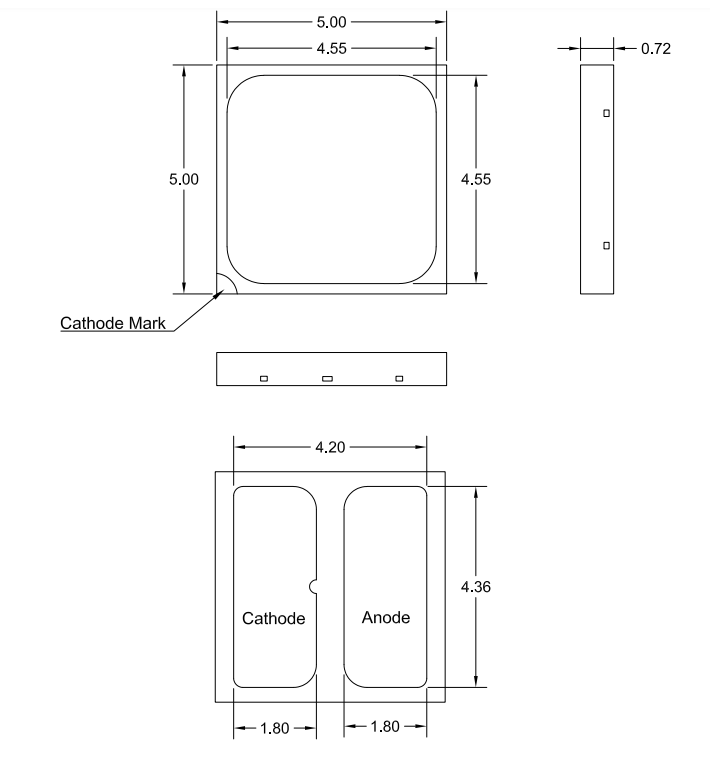
Mechanical Dimensions
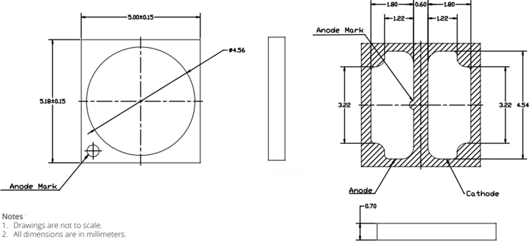
HE Series Mechanical Dimensions
Additional Resources
Published: 2016-11-04
| Updated: 2024-08-22
