M5Stack COMMU Module

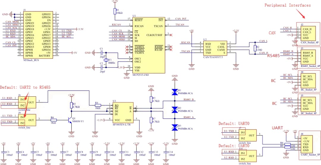
M5Stack COMMU Module is a compact multi-communication-interface and converter. The COMMU includes two I2C interfaces, one CAN interface, one RS485 interface, and one TTL interface. The TTL interface is configured as a UART interface by default, but it can be easily switched to UART2 by configuring the COMMU Module's jumpers.

The M5Stack COMMU Module features a compact 54.2mm x 54.2mm x 13mm form factor and weights only 13.5g.

Features

  • 2x I2C Interface
  • 1x CAN Interface
  • 1x RS485 Interface
  • 1x TTL Interface
  • Microchip Technology MCP2515 CAN controller
  • MaxLinear SP3485EN RS485 Transceiver
  • Weight: 13.5g
  • Dimensions: 54.2mm x 54.2mm x 13mm

Overview

M5Stack COMMU Module

MBUS Pinmaps

M5Stack COMMU Module

Schematic

Schematic - M5Stack COMMU Module
Published: 2021-01-27 | Updated: 2022-03-11