MACOM CMPA5259080S-AMP1 Test Board

MACOM CMPA5259080S-AMP1 Test Board is configured to evaluate the CMPA5259080S GaN MMIC power amplifier. The CMPA5259080S features 29dB small-signal gain, 110W typical PSAT, and an operation up to 40V. The MACOM CMPA5259080S-AMP1 Test Board includes the CMPA5259080S amplifier.

Features

  • >48% typical power-added efficiency
  • 29dB small signal gain
  • 110W typical PSAT
  • Operation up to 40V
  • High breakdown voltage
  • High-temperature operation

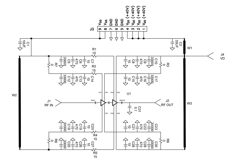
Demonstration Amplifier Schematic

Schematic - MACOM CMPA5259080S-AMP1 Test Board
Published: 2022-05-25 | Updated: 2024-01-18