MACOM MAAM-011289/-011290 Driver Amplifiers
MACOM MAAM-011289/-011290 Driver Amplifiers are 5GHz to 20GHz MMIC amplifiers in a 3mm 12-lead AQFN package. These amplifiers feature a high reverse isolation of 47dB and require a single positive power supply. The MAAM-011289/-011290 amplifiers come with 50Ω input and output matching and feature integrated capacitors on RF input and output. These driver amplifiers operate from -40°C to 85°C and are RoHS compliant. Typical applications include aerospace and defense, microwave radio, test and measurement, and VSAT.Features
- 5GHz to 20GHz wide frequency range
- 50Ω matched input and output
- Integrated capacitors on RF input and output
- RoHS compliant
Specifications
- 47dB high reverse isolation
- MAAM-011289:
- 16.5dB gain
- 21.5dBm saturated power
- 30.5dBm output IP3
- 19.50dBm output P1dB
- 5.5dB noise figure
- 5V supply at 100mA
- MAAM-011290:
- 20dB gain
- 20dBm saturated power
- 32dBm output IP3
- 20dBm output P1dB
- 4dB noise figure
- 5V supply at 107mA
- 3mm 12-lead AQFN package
- -40°C to 85°C operating temperature range
Applications
- Microwave radio
- VSAT
- Aerospace and defense
- Test and measurement
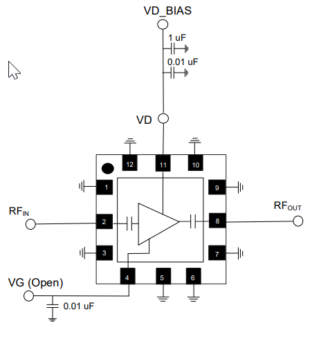
Application Schematic
Datasheets
Published: 2023-01-02
| Updated: 2023-04-13
