MaxLinear XR33032, XR33035, & XR33038 Transceivers
MaxLinear XR33032, XR33035, and XR33038 RS-485/RS-422 Transceivers are optimized to operate over a wide range of supply voltage, from +2.8V to +5.5V. The analog bus pins can withstand direct shorts up to ±18V, and are protected against ESD events up to ±15kV. The XR33032, XR33035, and XR33038 Transceivers can operate with more than 2V IR drop in the cable when utilizing a remote 5V power supply. These devices draw less than 600μA, and typically only 300μA when idling with the receivers active.The XR33032, XR33035, and XR33038 Transceivers include full fail-safe circuitry, guaranteeing a logic-high receiver output when the receiver inputs are open, shorted, or undriven. The receiver input impedance is 96kΩ (1/8 unit load), allowing up to 256 devices on the bus while preserving the full signal margin.
The drivers are protected by short circuit detection as well as thermal shutdown, and maintain high impedance in shutdown or when powered off. The XR33032 and XR33035 drivers are slew limited for reduced EMI and error-free communication over long or unterminated data cables.The DE and RE pins include hot swap circuitry to prevent false transitions on the bus during power-up or live insertion, and can enter a low current shutdown mode (40nA typically) for extreme power savings.
The MaxLinear XR33032, XR33035, and XR33038 RS-485/RS-422 Transceivers are offered in an industry-standard NSOIC-8 package
Features
- +2.8V to +5.5V operating range
- ±18V fault tolerance on analog bus pins
- Robust ESD (ElectroStatic Discharge) protection
- ±15kV IEC 61000-4-2 air gap discharge
- ± 8kV IEC 61000-4-2 contact discharge
- ±15kV Human Body Model
- ± 4kV Human Body Model on non-bus pins
- 300µA idle current, 40nA shutdown current
- Enhanced receiver fail-safe protection for open, shorted, or terminated but idle data lines
- Hot-swap glitch protection on DE and RE pins
- Driver short circuit current limit and thermal shutdown for overload protection
- 1/8th unit load allows up to 256 devices on bus
- Industry standard NSOIC8 half-duplex package
Applications
- Isolated multipoint RS-485 data buses
- Remote nodes powered by the host
- Building automation and HVAC
- Industrial process control networks
- Remote utility meter reading
- Energy monitoring and control
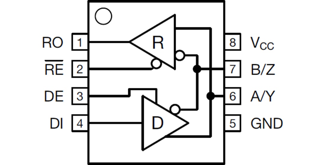
Block Diagram
Package Outline
