Micro Commercial Components (MCC) MIF400R065C2TL 650V/400A IGBT Module

Micro Commercial Components (MCC) MIF400R065C2TL 650V/400A IGBT Module is a two-in-one module that combines dual IGBT devices and rugged performance in a C2 package. The module features 650V capability, low VCE(sat), IGBT trench technology, a 400A current rating, and an ultra-fast, soft recovery anti-parallel rectifier. The device withstands junction temperatures up to +175°C with a high short-circuit capability of 6µs. MIF400R065C2TL ensures low switching losses and low inductance while maximizing efficiency. The IGBT module delivers exceptional reliability in high-power applications, including motor controls, uninterruptible power supplies, welding equipment, and other power-intensive applications.

Features

  • Low VCE(sat) with Trench technology
  • Low switching losses
  • VCE(sat) with positive temperature coefficient
  • High short circuit capability (6µs)
  • Includes ultra-fast and soft recovery anti-parallel forward diode (FWD)
  • Low inductance
  • +175℃ maximum junction temperature
  • Epoxy meets UL 94V-0 flammability rating
  • C2 package
  • Lead-free finish and RoHS-compliant

Applications

  • Motion/servo control
    • Industrial motor drives
    • HVAC systems
  • High-frequency switching applications
  • Renewable energy systems
    • Solar inverters
    • Wind turbine converters
    • Energy storage systems (ESS)
  • Uninterruptible Power Supplies (UPS)
    • Data centers
    • Telecommunications systems
    • Emergency power backup
  • Welding machines
  • Plasma cutting equipment

Specifications

  • 650V collector-emitter voltage
  • 400A continuous collector current
  • 800A repetitive peak collector current
  • ±20V gate-emitter voltage
  • 2500V minimum isolation voltage
  • 1250W total power dissipation
  • -40°C to +150°C operating junction temperature range

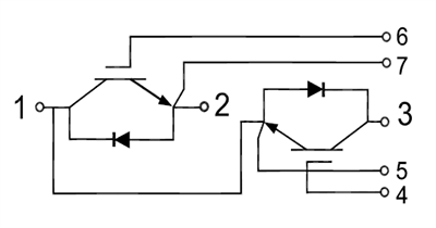
Circuit Diagram

Application Circuit Diagram - Micro Commercial Components (MCC) MIF400R065C2TL 650V/400A IGBT Module
Published: 2024-05-01 | Updated: 2024-05-13