MEAN WELL BIC-2200 AC-DC Bidirectional Power Supplies
MEAN WELL BIC-2200 AC-DC Bidirectional Power Supplies are 2.2KW, fully digital power supplies with energy recycle function in a 1U low profile design. These devices are designed to control the power transferred from the AC grid to the DC and the DC to the AC grid for energy recycling. Built-in functions include active current sharing, remote ON/OFF control, and optional CANBus protocol. The BIC-2200 AC-DC Bidirectional Power Supplies from MEAN WELL provide design flexibility for battery formation and test equipment, V2G (vehicle-to-grid) systems, charging stations, laser systems, and kinetic recovery systems.Features
- 1U low-profile design
- Full digital design with 93% conversion efficiency for both AC-DC and DC-AC conversion
- Ultra-fast switching time between AC-DC and DC-AC of 1ms
- CB/UL/TUV CB/TUV/UL 62368-1 certified, design refers to IEC 62477 regulation
- Active current sharing up to 11,000W (4+1)
- Force charging and discharging mode with CANBus command (optional)
- Protections
- Anti-islanding
- AC fail
- DC OVP
- OLP
- OCP
- OTP
- <3% low THDi in both conversion mode
- 5-year warranty
Applications
- Battery cell formation and grading
- V2G (vehicle-to-grid) systems
- Marine battery charger modules
- Electric scooter or vehicle charging station
- Kinetic energy recovery systems
- Electrolysis systems
- Wastewater treatment systems
Specifications
- AC to DC direction
- Output
- 12VDC to 96VDC voltage range
- 22.5A to 180A rated current range
- 2160W rated power
- 160mVp-p to 480mVp-p maximum ripple and noise range
- ±1.0% voltage tolerance
- ±0.5% line/load regulation
- Input
- 180VAC to 264VAC voltage range
- 47Hz to 63Hz frequency range
- 90% to 93% efficiency
- 11A/230VAC typical AC current
- 35A/230VAC typical inrush current, cold start
- <2mA/230VAC leakage current
- Output
- 330mm x 140mm x 41mm in dimension (LxWxH)
- DC to AC direction
- Input
- 1800W rated input power
- 12V to 112V full power voltage range
- 10VDC to 112VDC voltage range
- 18.75A to 150A maximum input current
- Output
- 180VAC to 264VAC voltage range
- 47Hz to 63Hz frequency range
- 7.5A/230VAC typical AC current
- 90.5% to 93% efficiency
- Input
- Temperature ranges
- -30°C to +70°C operating
- -40°C to +85°C storage
- Relative humidity, non-condensing
- 20% to 90% operating
- 10% to 95% storage
Videos
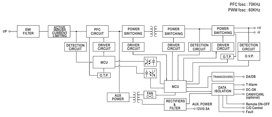
Block Diagram
View Results ( 4 ) Page
| Part Number | Datasheet | Description |
|---|---|---|
| BIC-2200-24 | ![]() |
Power Supplies - Chassis Mount A/D +24V90A ; D/A +24V75A |
| BIC-2200-48 | ![]() |
Power Supplies - Chassis Mount A/D +48V45A ; D/A +48V37.5A |
| BIC-2200-96 | ![]() |
Power Supplies - Chassis Mount A/D +96V22.5A ; D/A +96V18.5A |
| BIC-2200-12 | ![]() |
Power Supplies - Chassis Mount A/D +12V180A ; D/A +12V150A |
Published: 2021-08-02
| Updated: 2025-08-12

