Microchip Technology HV53001 16-Ch Push-Pull Drivers

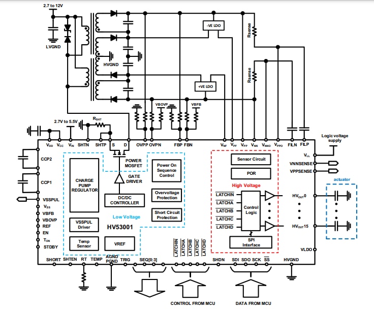
Microchip Technology HV53001 16-Ch Push-Pull Drivers offer an integrated driver solution for various applications, consisting of three main functional blocks, a high-voltage driver, an SPI interface, and a DC/DC boost controller with power MOSFET.

The HV53001 features 16 push-pull drivers capable of ±135V output swing with the Return-To-Zero (RTZ) function, and each driver is capable of sourcing and sinking at least 24mA. Each high-voltage output is capable of driving up to 250pF capacitive load. Additionally, a global current sensor function is integrated into the HV53011 to monitor the charge and discharge currents. The measured current is mapped to a low-voltage analog output with a scale factor of 3.1V/V through a current sensing resistor.

The Microchip HV53001 16-Ch Push-Pull Drivers utilizes an SPI interface to communicate between the host processor and the high-voltage drivers. The interface delivers 3.3V logic I/O signals up to clock speeds of 32MHz. Five digital LATCH control signals manage the data flow and the firing pattern while establishing the output to one of four possible states: VPP, VNN, 0V, or high impedance.

The HV53001 includes an integrated DC/DC controller with power MOSFET. For the high-voltage driver block, the controller is placed in a flyback configuration to generate four high-voltage rails, ±135V and ±123V, for the high-voltage driver block. The ±123V rails are created from two 12V floating supplies referenced to the ±135V supply rails. The converter accepts input voltage from a single 2.7V to 5.5V input voltage rail. A built-in positive charge pump and a simple external negative charge pump convert the input supply to +6.5V and -6.0V supplies to power the high-voltage driver block.

The HV53001 has an accurate power on and off sequence with a power sequence control circuit for the user to control the power supplies to power up or down the high voltage driver. The device is used in conjunction with the external high-voltage FET transistors.

The HV53001 comprises many safety features, including overvoltage protection, short circuit protection, and overtemperature monitor function.

The HV53001 device is housed in a 9mm x 9mm 105 ball TFBGA package. All high-voltage I/Os are arranged to have sufficient clearance for safety.

Features

  • 16-Channel push-pull output
  • Return-To-Zero (RTZ) and High-Impedance (Hi-Z) function
  • Up to ±135V output voltage
  • 24mA Minimum source-sink output current
  • 250pF Maximum output load
  • Current sensor output
  • SPI Interface with quad-latched 2-bit per channel architecture
  • Power-on reset function
  • DC/DC Boost converter with power MOSFET
  • 2.7V to 5.5V Converter input voltage
  • Short circuit protection
  • Overtemperature monitor
  • Power ON/OFF sequence control
  • Shutdown function
  • 105-ball 9mm x 9mm TFBGA package

Applications

  • Surface haptic application
  • MEMS Driver
  • Piezo driver

Typical Application Diagram

Application Circuit Diagram - Microchip Technology HV53001 16-Ch Push-Pull Drivers

Block Diagram

Block Diagram - Microchip Technology HV53001 16-Ch Push-Pull Drivers
Published: 2022-04-15 | Updated: 2022-04-25