Mikroe Intel® Joule™ click Shield

Mikroe Intel® Joule™ click Shields are an extension for the Intel Joule Expansion Board for adding more than 270 click boards to a project. Add displays, Wi-Fi®, ZigBee, or BLUETOOTH® transceivers, Ethernet modules, sensors, MP3 codec circuits, and other features with ease. The click boards come with examples written in Mikroe compilers for a great base for future projects. 

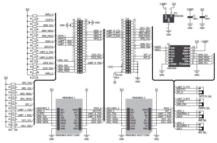
The Intel Joule click Shield boards include the MCP3204 12-Bit A/D Converters with SPI™ Serial Interface. The boards also features 2x40-pin connectors. The Intel Joule Expansion Board is intended to breakout all I/O interfaces from the Intel Joule module into easily accessible connectors. 

The Intel Joule module is a powerful system on module (SoM) designed to help inventors and IoT developers contribute to a new generation of robots, drones, and IoT devices that are equipped with Intel HD Graphics, 3D modeling, object recognition, and interactive capabilities.

Features

  • MIKROE-2546: two mikroBUS™ sockets
  • MIKROE-2582: four mikroBUS™ sockets
  • MCP3204 ADC
  • 2x40 connector pins
  • 3.3V power supply

MIKROE-2546 Jumpers & Settings

Mikroe Intel® Joule™ click Shield

MIKROE-2582 Jumpers & Settings

Mikroe Intel® Joule™ click Shield

Schematics

Published: 2017-03-08 | Updated: 2022-07-08