Monolithic Power Systems (MPS) MP2174Cx Synchronous Step-Down Converters

Monolithic Power Systems (MPS) MP2174Cx Synchronous Step-Down Converters are monolithic, step-down, and switch-mode converters featuring built-in internal power MOSFETs. These step-down converters feature the Constant-On-Time (COT) control scheme, which provides fast transient response and easy loop stabilization. The MP2174Cx converters include fault condition protection, which features a cycle-by-cycle current limit and thermal shutdown. These step-down converters operate at 2.7V to 5.5V input voltage range and -40°C to +125°C temperature range.

MPS MP2174Cx converters offer 4A output current, 1.1MHz frequency, and 0.6V output voltage. These step-down converters provide auto-discharge at power off, 100% duty cycle in dropout, and short-circuit protection with Hiccup mode. The MP2174Cx converters also feature 0.5ms internal soft-start time and peak efficiency above 96%. These step-down converters are ideal for storage drives, portable instruments, DVD drives, low voltage I/O system power, and small handheld devices.

Features

  • Forced PWM mode operation
  • >96% peak efficiency
  • 100% duty cycle in dropout
  • Auto discharge at power-off
  • Short-circuit protection with hiccup mode
  • Constant-On-Time (COT) control scheme
  • EN and power good for power sequencing
  • Fault condition protection
    • Cycle-by-cycle current limit
    • Thermal shutdown

Applications

  • Storage drives
  • Portable instruments
  • DVD drives
  • Low-voltage I/O system power
  • Small handheld devices
  • PDAs

Specifications

  • 2.7V to 5.5V operating input voltage range
  • 4A output current
  • 1.1MHz frequency
  • 0.5ms internal soft-start time
  • 35mΩ and 18mΩ internal power MOSFET
  • 0.6V low output voltage
  • -40°C to +125°C operating temperature range
  • +150°C junction temperature

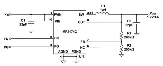
Application Circuit Diagram

Application Circuit Diagram - Monolithic Power Systems (MPS) MP2174Cx Synchronous Step-Down Converters
Published: 2020-03-12 | Updated: 2024-10-16