NXP Semiconductors NVT4858 Dual Voltage Level Translators
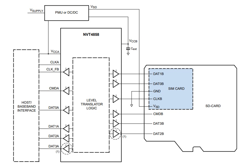
NXP Semiconductors NVT4858 Bidirectional Dual Voltage Level Translators are designed to interface between a memory or SIM card operating between 1.65V to 3.6V signal levels and a host with a supply voltage of 1.08V to 1.95V. The SD 3.0-compliant bidirectional dual-voltage level translators with auto direction control support SD 3.0 SDR104, SDR50, DDR50, SDR25, SDR12, and SD 2.0 HighSpeed (50MHz) and Default-Speed (25MHz) modes.The NXP NVT4858 Dual Voltage Level Translators feature an auto-enable/disable function connected to the VCCB supply pin, built-in EMI filters, and robust ESD protection (IEC 61000-4-2, level 4) on VCCB or any of the card side pins. These features allow External ESD diodes not to be not required. Furthermore, the NVT4858 supports SIM card voltage level translator using CLK and two data lines for SD and SIM card combo sockets.
Features
- Supports up to 208MHz clock rate
- SD 3.0 specification-compliant voltage translation to support SDR104, SDR50, DDR50, SDR25, SDR12, High-Speed, and Default-Speed modes
- Compliant with all ETSI, IMT-2000, and ISO-7816 SIM/Smart Card interface requirements
- Support SD/SIM card supply voltages with a range of 1.65V to 3.6V
- Host microcontroller operating voltage range of 1.08V to 1.95V
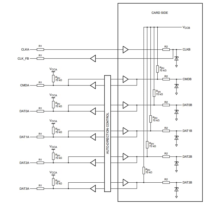
- Feedback channel for clock synchronization
- Low power consumption by push-pull output stage with break-before-make architecture
- Automatically enable and disable through VCCB
- Integrated pull-up and pull-down resistors, no external resistors required
- Integrated EMI filters suppress higher harmonics of digital I/Os
- Integrated 8kV ESD protection according to IEC 61000-4-2, level 4 on VCCB or any of the card side pins - external ESD diodes are not required
- Level shifting buffers keep ESD stress away from the host (zero-clamping concept)
- Available in XQFN16 with 0.4mm pitch and WLCSP16 with 0.35mm pitch
Applications
- Smartphones
- Mobile handsets
- Digital cameras
- Tablet PCs
- Laptop computers
- SD, MMC, or microSD card readers
Block Diagram
Functional diagram
Published: 2021-12-02
| Updated: 2023-03-23
