onsemi FOD848x Optically Isolated IPMs

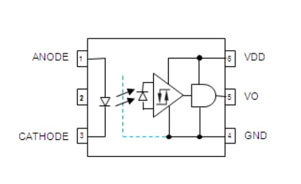
onsemi FOD848x Optically Isolated Intelligent Power Modules (IPM) communicate digital control signals from the controller to the IPM without conducting ground loops or hazardous voltages. onsemi FOD848x IPMs are packaged in a stretched body 6-pin small outline plastic package consisting of an aluminum gallium arsenide (AlGaAs) light-emitting diode and an integrated high-gain photodetector. The photodetector has a detector threshold with hysteresis that provides differential mode noise immunity and eliminates the potential for output signal chatter. The non-inverting output is designed as a totem pole, which does not require any pull-up resistor. The FOD8482 has a low threshold input current, IFLH, at 3.0mA maximum.

The FOD848x Modules are guaranteed over the extended industrial temperature range of -40°C to +100°C and a VDD range of 4.5V to 30V. The devices offer low IF and wide VDD range that allows compatibility with TTL, LSTTL, and CMOS logic. This results in lower power consumption compared to other high-speed optocouplers.

Features

  • Maximum threshold input current, IFLH
    • 5.5mA (FOD8480) 
    • 3.0mA (FOD8482)
  • FOD8480T and FOD8482T - 8mm creepage and clearance distance and 0.4mm insulation distance to achieve reliable and high voltage insulation
  • High noise immunity is characterized by common-mode transient immunity (CMTI)
  • 20kV/µs minimum CMTI
  • 4.5V to 30V operating voltage range
  • -40°C to +100°C extended industrial temperature range
  • Safety and regulatory approvals
    • UL1577, 5,000 VACRMS for 1 Min.
    • DIN-EN/IEC60747-5-5, 1,140V peak working insulation voltage

Applications

  • Isolating intelligent power modules
  • Isolating industrial communication interfaces

Pin Connections

Mechanical Drawing - onsemi FOD848x Optically Isolated IPMs
Published: 2019-11-07 | Updated: 2025-05-08