onsemi NCP1362 Primary Side PWM Controllers

onsemi NCP1362 Primary Side PWM Controllers deliver a highly integrated primary side quasi-resonant flyback controller that controls rugged, high-performance off-line power supplies. The NCP1362 implements the Novel Method, reserving the secondary feedback circuitry for Constant Voltage and Constant Current regulation. This feature allows excellent line and load regulation without a traditional optocoupler and TL431 voltage reference.

The onsemi NCP1362 Controllers provide high efficiency when operating in valley lockout quasi−resonant peak current mode control mode at high load. When the power on the secondary side starts to diminish, the controller automatically adjusts the duty cycle. Then, the controller enters pulse frequency modulation at a fixed peak current at a lower load with a valley switching detection. This technique keeps the output regulation with a tiny dummy load. Valley lockout at the first four valleys prevents valley jumping operation, and then a valley switching at a lower load supplies high efficiency.

Features

  • Constant voltage primary-side regulation <±5%
  • Constant current primary-side regulation <±5%
  • LFF and BO feature on a dedicated pin:
    • BO detection
    • LFF for CC regulation improvement
  • Optimized light load efficiency and stand-by performance
  • Maximum frequency clamp (No clamp, 80kHz, 110kHz and 140kHz)
  • Cycle-by-cycle peak current limit
  • Output voltage under voltage and over voltage protection (UVP or OVP)
  • Quasi-resonant with a valley switching operation
  • Secondary diode or winding short-circuit protection
  • Wide operation VCC range (up to 28V)
  • Low start-up current
  • CS and VS/ZCD pin short and open protection
  • Internal temperature shutdown
  • Internal and fixed frequency jittering for better EMI signature
  • Dual frozen peak current to both optimize light load efficiency (10% Load) and stand-by performance (No-load)
  • Fault input for severe fault conditions, NTC compatible for OTP
  • Pb-free devices

Applications

  • Low-power AC-DC adapters for routers and set-top box
  • Low-power AC-DC adapters for chargers

Package Style

Location Circuit - onsemi NCP1362 Primary Side PWM Controllers

Typical Application Schematic for AC Input Voltage

Schematic - onsemi NCP1362 Primary Side PWM Controllers

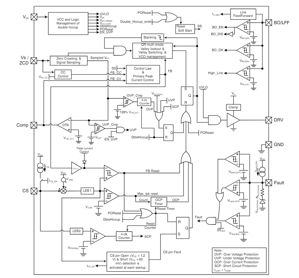
Functional Block Diagram

Block Diagram - onsemi NCP1362 Primary Side PWM Controllers
Published: 2024-05-17 | Updated: 2024-06-07