onsemi NCP51105 Single 2.6A Low-Side Gate Driver

onsemi NCP51105 Single 2.6A Low-Side Gate Driver is a high-current driver designed to drive power MOSFETs and IGBTs. The logic input is compatible with CMOS and TTL output. The NCP51105 features an OCP pin that provides over-current protection with negative voltage detected across a switching current sensing resistor and an EN pin that can report faults status to an external controller such as an MCU. The EN pin must be pulled up to a higher voltage than the threshold for normal operation and pulled down to disable output in all fault conditions. Internal VDD circuitry provides an under-voltage lockout function by holding the output low until the supply voltage is recovered into the operating range, and the fault recovery time can be programmable by a time-constant set of resistance and capacitance connected to the EN pin.

Features

  • Wide operating voltage range up to 25V
  • 2.6A peak sink/source
  • Shorter than 50ns propagation delay time
  • Over-current protection with negative voltage sensing
  • Input logic compatible with a wide voltage range for TTL and CMOS
  • Programmable fault clear time
  • Under voltage lockout for MOSFET and IGBT
  • -40°C to +125°C ambient temperature range
  • TSOP-6 package
  • Lead-free, Halide-free, and RoHS-compliant

Applications

  • Switch-mode power supplies
  • High-efficiency MOSFET switching
  • Synchronous rectifier circuits
  • DC-DC converters
  • Motor control

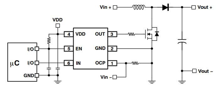
Simplified Application

Application Circuit Diagram - onsemi NCP51105 Single 2.6A Low-Side Gate Driver

Internal Block Diagram

Block Diagram - onsemi NCP51105 Single 2.6A Low-Side Gate Driver
Published: 2024-07-31 | Updated: 2024-08-13