onsemi NCP81239/A USB PD Controller

onsemi NCP81239/A USB PD Controller is a Synchronous Buck-Boost optimized for converting battery or adapter voltage into power supply rails required for USB PD (Power Delivery) via standard and Type-C USB cables. WHEN USED WITH A USB PD OR TYPE-C INTERFACE CONTROLLER, the NCP81239 is fully compliant with the USB Power Delivery Specification. The NCP81239 is designed for applications requiring a dynamically controlled slew rate limited output voltage that require either voltage higher or lower than the input voltage. The NCP81239 drives 4 NMOSFET switches, allowing it to buck or boost and enabling support for consumer and provider role swap functions. This device operates with a supply and load range of 4.5V to 28V, designed for converting battery or adapter voltage into supply rails. The 4-Switch buck-boost controller has an I2C interface.

The onsemi NCP81239/A USB PD Controller is offered in a compact Quad Flat No-lead (QFN) package, ideal for space-constrained applications.

Features

  • 4.5V to 28V wide input voltage range (VI)
  • 150kHz to 1.2MHz dynamically programmed frequency
  • I2C interface
  • Real-time Power Good indication
  • Controlled slew rate voltage transitioning
  • Feedback pin with internally programmed reference
  • Support USB PD, QC2.0, and QC3.0 profiles
  • Two independent current sensing inputs
  • Over temperature protection
  • Adaptive non-overlap gate drivers
  • Filter capacitor switch control
  • Over-voltage and over-current protection
  • Dead battery power support
  • 150°C maximum junction temperature (TJ)
  • -40°C to 100°C operating ambient temperature Range (TA)
  • QFN-32 package type
  • 5mm x 5mm package dimensions
  • Pb-Free

Applications

  • Notebooks, tablets, desktops
  • Smartphones
  • Power banks
  • Docking stations
  • Monitors, TVs, and Set-Top boxes
  • Consumer electronics
  • Car chargers
  • Docking stations

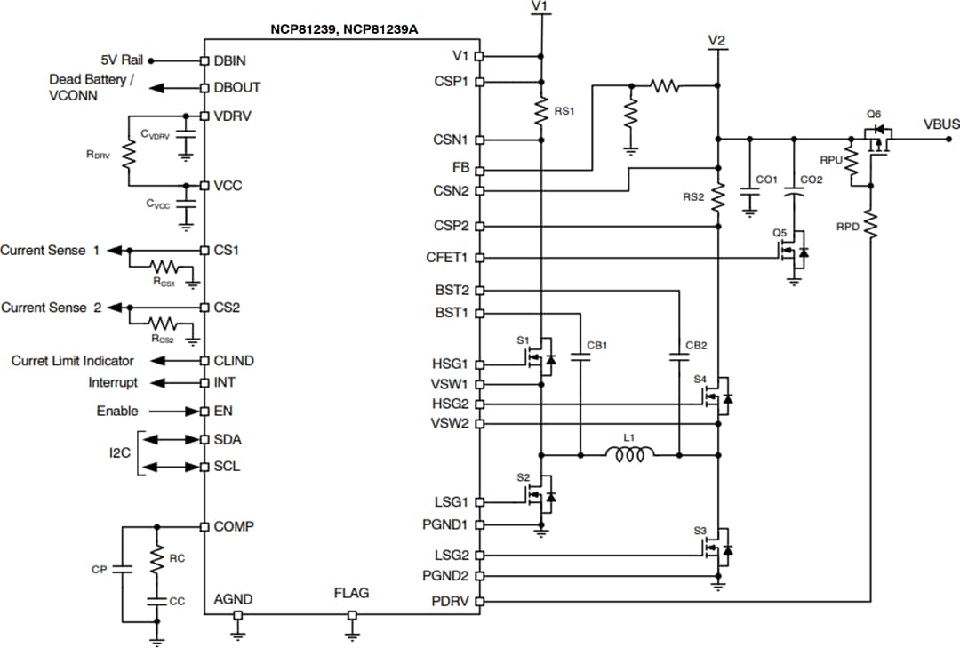
Block Diagram

Block Diagram - onsemi NCP81239/A USB PD Controller

Typical Application Circuit

Application Circuit Diagram - onsemi NCP81239/A USB PD Controller

Package Outline

Mechanical Drawing - onsemi NCP81239/A USB PD Controller
Published: 2017-03-28 | Updated: 2022-03-11