onsemi NCV7723B 6-Channel Half-Bridge Driver
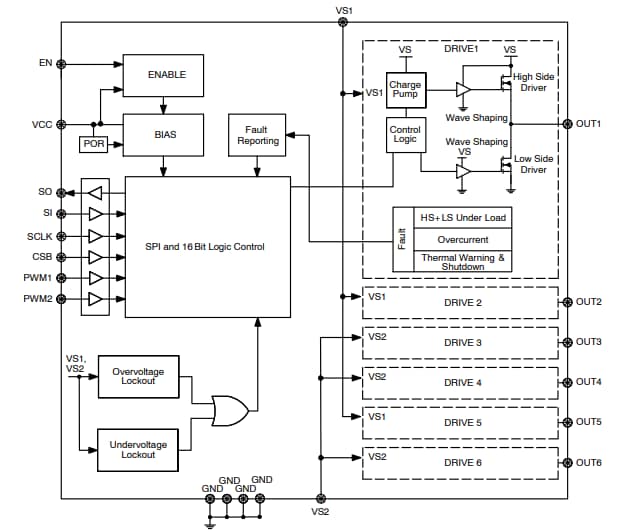
onsemi NCV7723B 6-Channel Half-Bridge Driver includes protection features designed specifically for automotive and industrial motion control applications. This driver has independent controls and diagnostics and can be operated in forward, reverse, brake, and high-impedance states. onsemi NCV7723B Half-Bridge Driver is controlled via a 16-bit SPI interface and is daisy chain-compatible. This driver offers low quiescent current sleep mode, undervoltage and overvoltage lockout, integrated freewheeling protection (LS and HS), overcurrent protection, and overtemperature protection. The NCV7723B half-bridge driver is ideal for use in automotive, industrial, and DC motor management for HVAC applications.Features
- Low quiescent current sleep mode
- High-side and low-side drivers connected in half-bridge configurations
- Integrated freewheeling protection (LS and HS)
- 500mA typical and 1.1A peak current
- 0.8Ω (typical) RDS(on)
- OUT1 and OUT2 external PWM control
- 5MHz SPI communication
- 16-bit frame error detection
- Daisy chain compatible with multiple 8-bit devices
- Compliant with 3.3V and 5V systems
- Undervoltage and overvoltage lockout
- Per channel fault reporting
- Overcurrent protection
- Overtemperature protection
- Underload detection (HS and LS)
- Exposed pad package
- NCV prefix for automotive and other applications requiring unique site and control change requirements
- AEC-Q100 qualified
- PPAP capable
- Lead-free device
Applications
- Automotive
- Industrial
- DC motor management for HVAC
Block Diagram
Application Circuit Diagram
Published: 2020-05-22
| Updated: 2024-05-22
