Pletronics Inc. UCE4 Temperature Compensated Crystal Oscillators

Pletronics Inc. UCE4 Temperature Compensated Crystal Oscillators (TCXOs) offer a 10MHz to 40MHz frequency range. These oscillators feature an optional voltage control function and clipped sine wave output. The TCXOs operate from 1.8V to 3.3V nominal supply voltage and 3mA maximum supply current. These UCE4 TCXOs operate from -40°C to 85°C temperature range and come in a 3.2mm x 2.5mm x 0.9mm LCC ceramic package. Typical applications include GPS, WiMAX, Wi-Fi®, Wi-LAN, handsets, broadband access, point-to-point radios, seismic exploration, wireless communications, base stations, and test equipment.

Features

  • Optional voltage control function
  • Clipped sine wave output
  • 1.8V to 3.3V nominal supply voltage range
  • 10MHz to 40MHz frequency range
  • -40°C to 85°C operating temperature range
  • 3.2mm x 2.5mm x 0.9mm LCC ceramic package

Applications

  • GPS
  • WiMAX, Wi-Fi, and Wi-LAN
  • Handsets
  • Broadband access
  • Point-to-point radios
  • Seismic exploration
  • Wireless communications
  • Base stations
  • Test equipment

Dimension Diagrams

Mechanical Drawing - Pletronics Inc. UCE4 Temperature Compensated Crystal Oscillators

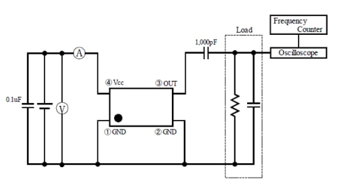
Electrical Test / Load Circuit

Application Circuit Diagram - Pletronics Inc. UCE4 Temperature Compensated Crystal Oscillators
Published: 2023-11-15 | Updated: 2024-03-01