Qorvo CMD320C3 Ultra-Low-Noise RF Amplifier
Qorvo CMD320C3 Ultra-Low-Noise RF Amplifier is a broadband Monolithic Microwave Integrated Circuit (MMIC) low-noise amplifier housed in a leadless 3mm x 3mm surface-mount package. This RF amplifier is ideally suited for electronic warfare (EW) and communication systems where small size and low power consumption are needed. The Qorvo CMD320C3 device is optimized for broadband performance and delivers 18dB of gain with a corresponding noise figure of 1.07dB at 12GHz. The CMD320C3 amplifier is a 50Ω matched design that eliminates the need for external DC blocks and RF port matching.Features
- Ultra-low noise figure
- High-gain broadband performance
- Low-power dissipation
- Pb-free RoHS compliant
- 3mm x 3mm QFN package
Specifications
- 10.7GHz to 12.7GHz frequency range
- 18dB gain
- 1.07dB noise figure
- 32mA supply current
- 5.5Vdd drain voltage
- 3.3Vgg gate voltage
- 921mW power dissipation
- 70°C/W thermal resistance
- -40°C to +85°C operating temperature range
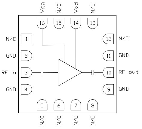
Block Diagram
Application Circuit
Applications
- Radar
- X Band
- Ku Band
- EW
- Space
- Satellite communications (Satcom)
- Phased arrays
Published: 2020-05-22
| Updated: 2024-08-22
