RFMi TRC103 Multi-Channel Low Power UHF RF Transceiver

RFMi TRC103 Multi-Channel Low Power UHF RF Transceiver is a single-chip transceiver designed for low-cost, high volume, two-way short-range wireless applications in the 863MHz to 870MHz, 902MHz to 928MHz, and 950MHz to 960MHz frequency bands. All critical-RF and baseband functions are integrated into the TRC103, minimizing the external component count and simplifying and speeding design-ins. A microcontroller, RF SAW filter, 12.8MHz crystal, and a few passive components create a complete, robust radio function. The TRC103 incorporates a set of low-power states to reduce the overall current consumption and extend battery life. Small size and low power consumption make the RFMi TRC103 Multi-Channel Low Power UHF RF Transceiver ideal for a wide variety of short-range radio applications.

Features

  • Modulation
    • FSK or OOK with frequency hopping
    • DTS spread spectrum
  • Frequency ranges
    • 863MHz to 870MHz
    • 902MHz to 928MHz
    • 950MHz to 960MHz
  • -112dBm high sensitivity in circuit
  • Up to 200kb/s data rate
  • 3.3mA typical receiver current
  • 0.1µA typical sleep current
  • Up to +11dBm in-circuit transmit power
  • 2.1V to 3.6V operating supply voltage range
  • Programmable preamble
  • Programmable packet start pattern
  • Integrated RF, PLL, IF, and baseband circuitry
  • Integrated data and clock recovery
  • Programmable RF output power
  • PLL lock output
  • Transmit/receive FIFO size programmable up to 64 bytes
  • Continuous, buffered, and packet data modes
  • Packet address recognition
  • Packet handling features
    • Fixed or variable packet length
    • Packet filtering
    • Packet formatting
  • Standard SPI interface
  • TTL/CMOS compatible I/O pins
  • Programmable clock output frequency
  • Low-cost 12.8MHz crystal reference
  • Integrated RSSI
  • Integrated crystal oscillator
  • Host processor interrupt pins
  • Programmable data rate
  • External wake-up event inputs
  • Integrated DC-balanced data scrambling
  • Integrated Manchester encoding/decoding
  • Interrupt signal mapping function
  • Support for multiple channels
  • 4 power-saving modes
  • Low external component count
  • Small 32-pin QFN plastic package

Applications

  • Active RFID tags
  • Automated meter reading
  • Home and industrial automation
  • Security systems
  • Two-way remote keyless entry
  • Automobile immobilizers
  • Sports performance monitoring
  • Wireless toys
  • Medical equipment
  • Low power two-way telemetry systems
  • Wireless mesh sensor networks
  • Wireless modules

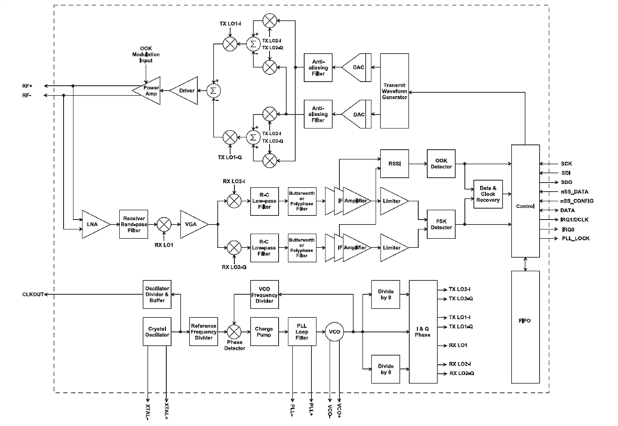
Block Diagram

Block Diagram - RFMi TRC103 Multi-Channel Low Power UHF RF Transceiver
Published: 2021-01-18 | Updated: 2022-03-11