ROHM Semiconductor BD7693FJ Power Factor Correction Controller
ROHM Semiconductor BD7693FJ Power Factor Correction Controller is a Boundary Conduction Mode (BCM) PFC Controller that provides a simple, high-performance, active Power Factor Correction using minimal external components. The BD7693FJ employs a Zero Current Detection (ZCD) circuit to greatly reduce switching loss and noise. The device also incorporates a circuit lowering Total Harmonic Distortion (THD). The BD7693FJ supports the IEC 61000-3-2 Class C Harmonics Standard, making it ideal for lighting applications.The ROHM Semiconductor BD7693FJ Power Factor Correction Controller is offered in a 4.9mm x 6.0mm SOP-J8 package with a -40°C to +105°C operating temperature range.
Features
- Boundary Conduction Mode PFC
- 10V to 38V input voltage range
- Low THD circuit incorporation
- Low 58mA operating current
- VCC UVLO function
- ZCD by auxiliary winding
- Static OVP by the VS pin
- Error amplifier input short protection
- Stable MOSFET gate drive
- Soft start
- -40 °C to +105 °C operating temperature range
- 4.9mm x 6.0mm x 1.65mm SOP-J8 package
Applications
- Lighting equipment
- AC adapters
- White goods
Typical Application Circuit
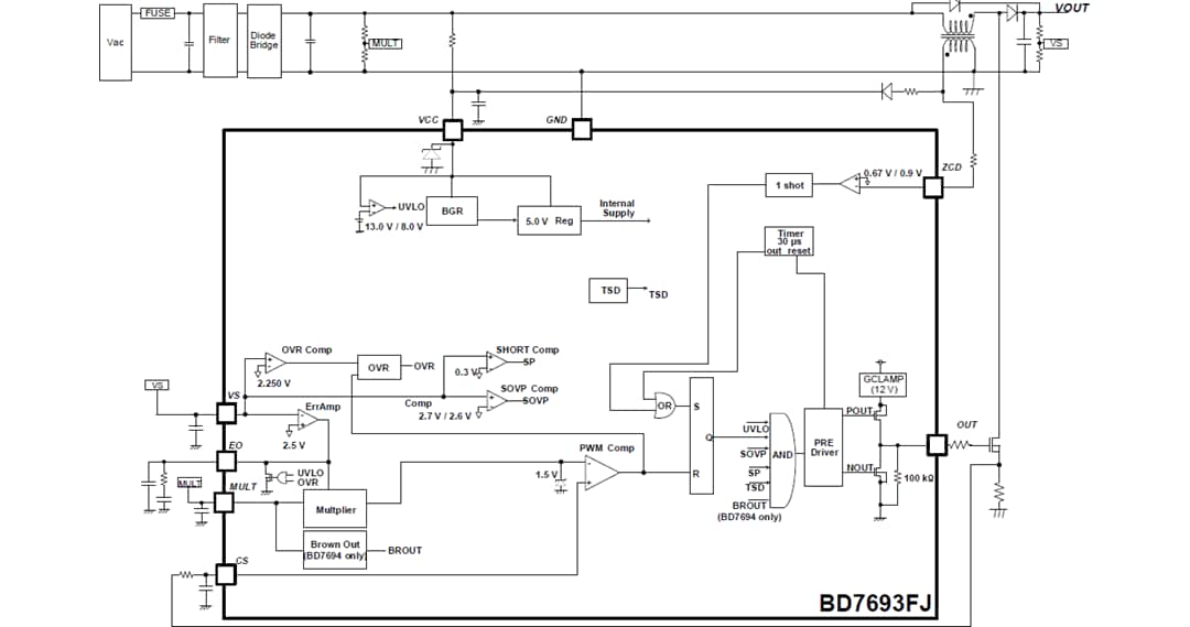
Block Diagram
Published: 2021-08-05
| Updated: 2022-03-11
