ROHM Semiconductor BD9573MUF-M Automotive Power Management IC

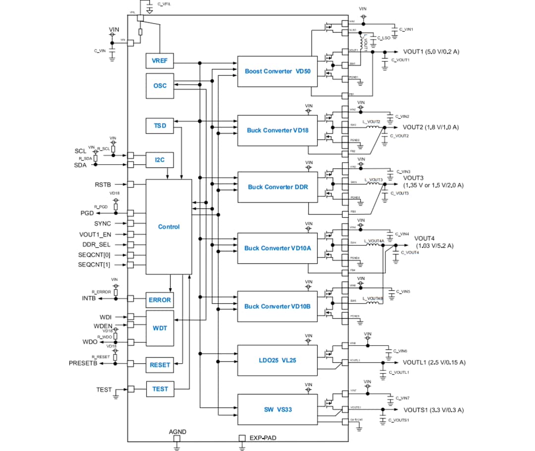
ROHM Semiconductor BD9573MUF-M Automotive Power Management IC (PMIC) is designed specifically for use with the Renesas Electronics R-Car D3 Series Processors for In-Vehicle Infotainment (IVI) systems and instrument cluster panels. The BD9573MUF-M PMIC offers I2C control with a status register for error control. The device includes built-in output sequence control and support for DDR3L/DDR3 memory. Integrated protection functions include undervoltage-lockout (UVLO), over-current protection (OCP), overvoltage-protection (OVP), under voltage-protection (OVP), short-circuit protection (SCP), and thermal shutdown (TSD).

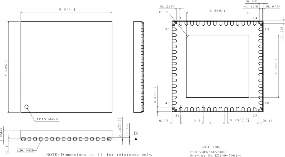
The ROHM Semiconductor BD9573MUF-M Automotive PMIC is available in a VQFN56FV8080 package with wettable flanks. This device is AEC-Q100 qualified and features a -40°C to +105°C operating temperature range.

Features

  • AEC-Q100 Grade 2 qualified
  • Power management for R-car D3 (*E3 if Iout ≦ 5.2A)
    • Built-in output sequence control
    • DDR3L/DDR3 memory supported
  • Customizable power up and power down sequence and state control
  • Power control logic with processor interface and event detection
  • 3.0V to 3.6V input voltage range
  • Output voltage accuracy 1.8%
  • 2.25MHz ±10% switching frequency
  • Built-in feedback resister/compensation circuit/discharge function
  • Built-in Power-Good (PGD terminal)
  • Built-in window type watchdog timer (WDT)
  • I2C control with a built-in status register
  • Built-in UVLO, SCP, OVP, UVP, OCP, and TSD protection
  • Adjust sequence time (SEQCNT1, 2)
  • EEPROM supported
  • -40ºC to +105ºC operating temperature range
  • 8.0mm x 8.0mm x 1.0mm VQFN56FV8080 package; 0.5mm Pitch

Applications

  • In-Vehicle Infotainment (IVI) systems
  • Instrument cluster panel

Block Diagram

Block Diagram - ROHM Semiconductor BD9573MUF-M Automotive Power Management IC

Package Outline

Mechanical Drawing - ROHM Semiconductor BD9573MUF-M Automotive Power Management IC
Published: 2021-11-29 | Updated: 2022-03-11