Samtec XCede® HD HDTM 1.8mm Vertical Backplane Headers

Samtec XCede® HD HDTM 1.8mm Vertical Backplane Headers feature a 1.8mm column pitch, keying, guidance, and up to 3mm contact wipe on signal pins. These headers consist of three levels of sequencing that enable hot-plugging and are available in 3-, 4-, and 6-pair designs with 4, 6, or 8 columns. Samtech HDTM headers are designed using liquid crystal polymer (LCP) housing material and phosphor bronze contact material. These RoHS-compliant headers operate at -40°C to +105°C temperature range. The XCede HD HDTM vertical backplane headers mate with the XCede HD HDTF right-angle backplane receptacles.

Features

  • 3-, 4-, and 6-pair designs
  • 4, 6, or 8 columns
  • Three levels of sequencing enable hot-plugging
  • 3mm contact wipe on signal pins
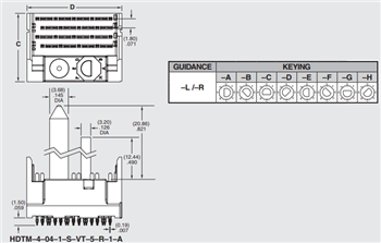
  • Integrated guidance, keying, and polarizing side walls available
  • LCP insulator material
  • Phosphor bronze contact material
  • -40°C to +105°C operating temperature range
  • RoHS compliant

Dimensions (mm)

Published: 2019-04-29 | Updated: 2023-07-18