STMicroelectronics L99MM70XP Microcontroller

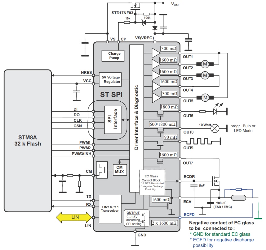
STMicroelectronics L99MM70XP Microcontroller is a driven multifunctional system application-specific standard part (ASSP) dedicated for LIN-controlled wing mirror applications. The L99MM70XP features a voltage regulator to supply the microcontroller and a LIN2.1 physical layer. Up to three DC motors and five grounded resistive loads can independently be driven with four (five) half bridges and five high-side driver. The EC-glass control block provides overvoltage protection with a fast discharge path versus GND and a negative discharge path for future EC-glass characteristics. The STMicroelectronics L99MM70XP Microcontroller integrated ST SPI controls all operation modes (forward, reverse, brake and high impedance) and provides all the diagnostic information.

Features

  • 5V low-drop voltage regulator (150mA max.)
  • Embedded LIN transceiver: 2.0/2.1 compliant and SAEJ2602 compatible
  • Independent control of mirror adjustment motors
  • One full bridge for 3A load (Ron = 300mΩ)
  • Two (three) half bridges for 0.5A load (Ron = 1.6Ω)
  • One configurable high-side driver for up to 1.5A load (Ron = 500mΩ/10-Watt bulb control, or 1600mΩ / LED control)
  • Two high-side driver for 0.5A load (Ron = 1600mΩ)
  • One low-side driver 0.5A load (Ron = 1600mΩ) used as half bridge with high-side driver for independent mirror axis control
  • One high-side driver for 6A load (Ron = 90mΩ)
  • One high-side driver for 0.5A load (Ron = 1600mΩ) to supply an external MOSFET to drive an EC-glass
  • Integrated EC glass control via an external MOSFET with fast discharge path: EC-glass can be discharged to GND or to -1V
  • Programmable soft start function to drive loads with higher inrush currents (>6A, >1.5A)
  • Very low current consumption modes
  • All outputs short-circuit and overtemperature protected
  • Two thermal shutdown thresholds and early temperature warning
  • Current monitor output for all high-side drivers
  • Open-load diagnostic for all outputs
  • Overload diagnostic for all outputs
  • 3 PWM control signals for all outputs
  • Charge pump output for active reverse polarity protection via an external N-channel MOSFET
  • STM standard serial peripheral interface for control and diagnosis
  • INH input for external CAN transceiver
  • Used for LIN controlled mirror

Block Diagram

Block Diagram - STMicroelectronics L99MM70XP Microcontroller
Published: 2018-05-31 | Updated: 2023-02-08